Запчасти Case 580N (35.359.055) - LOADER, BACKHOE, CONTROL VALVE, LINES (35) - HYDRAULIC SYSTEMS

Схема запчастей Case 580N - (35.359.055) - LOADER, BACKHOE, CONTROL VALVE, LINES (35) - HYDRAULIC SYSTEMS
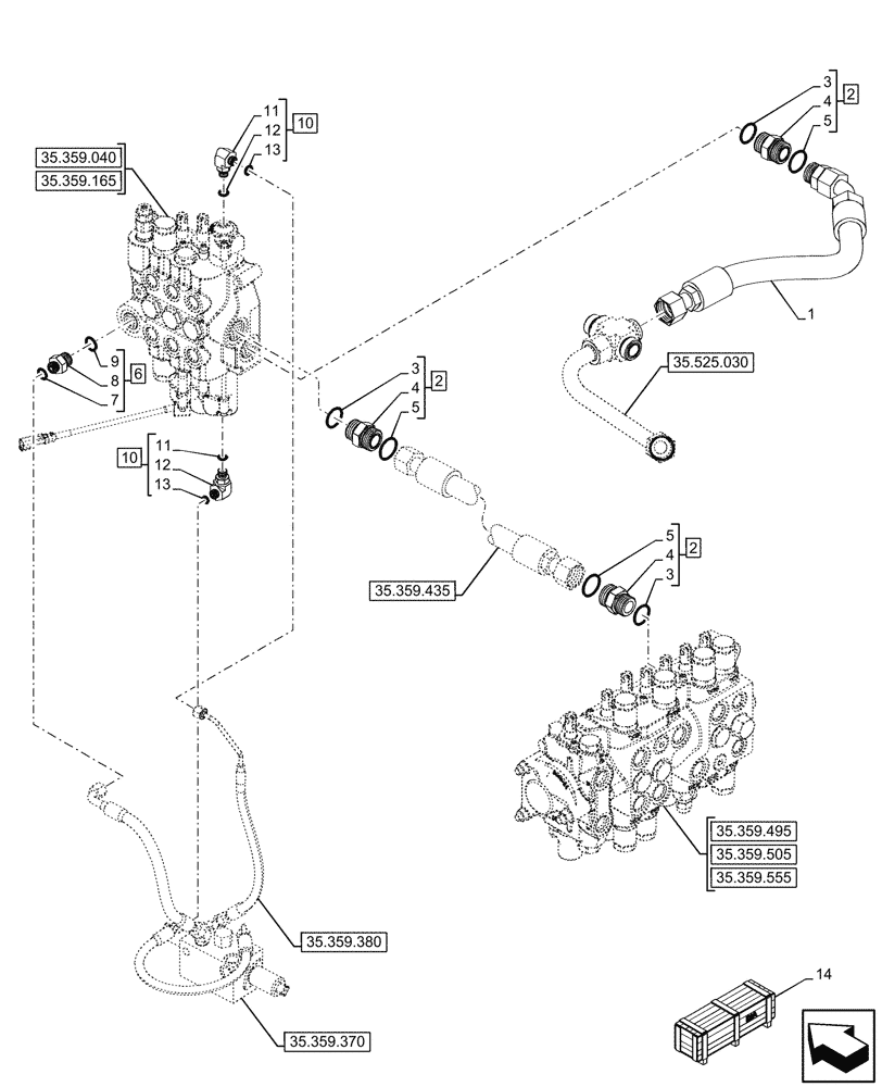
35.359.040
11
13
4
2
1
10
6
3
8
4
4
5
14
12
13
7
3
10
3
12
2
5
11
5
9
2
35.359.435
35.525.030
35.359.505
35.359.495
35.359.165
35.359.370
35.359.555
35.359.380
FIT
1:1
100%

Артикул

Название

Примечание

Количество

1

48038828

HYDRAULIC HOSE,25mm ID x 640mm L

Loader Valve to Tank

1шт.

2

9824055

HYD CONNECTOR,1-7/16" - 12 ORFS x 1-5/16" - 12 ORB

ASSY, Incl 3 - 5

3шт.

3

167268

O-RING,0.116" Thk x 1.171" ID, -916, Cl 6, 90 Duro

3шт.

4

NSS

NOT SOLD SEPARAT

Connector, Incl in 2

3шт.

5

9824050

O-RING,0.07" Thk x 0.926" ID, -21, Cl 6, 90 Duro

3шт.

6

84139327

HYD CONNECTOR

ASSY, Incl 7 - 9

1шт.

7

9993141

O-RING,0.07" Thk x 0.364" ID, -12, Cl 6, 90 Duro

1шт.

8

NSS

NOT SOLD SEPARAT

Connector, Incl in 6

1шт.

9

167269

O-RING,0.097" Thk x 0.755" ID, -910, Cl 6, 90 Duro

1шт.

10

9840542

ELBOW,90 Degree, 9/16"-18 x 9/16"-18, Adj, ORFS

ASSY, Incl 11 - 13

2шт.

11

9617873

O-RING,0.078" Thk x 0.468" ID, -906, Cl 6, 90 Duro

2шт.

12

NSS

NOT SOLD SEPARAT

90° Elbow, Incl in 10

2шт.

13

9825770

O-RING,0.07" Thk x 0.301" ID, -11, Cl 6, 90 Duro

2шт.

14

47955704

CONSTRUCTION DIA

Loader Valve 3 Spool, Incl 5 - 13

1шт.

Valid for 580N (Livery) NRC Model Only, W/ Pilot Control and Powershift Transmission

1шт.

To See Full DIA KIT Composition Look for all the Figures Where the DIA KIT P/N Is Shown

1шт.

14

47955708

CONSTRUCTION DIA

Loader Valve 3 Spool, Incl 6 - 13

1шт.

Valid for 580N (Livery) NRC Model Only, W/ Mechanical Control and Powershuttle Transmission

1шт.

To See Full DIA KIT Composition Look for all the Figures Where the DIA KIT P/N Is Shown

1шт.

14

47955719

CONSTRUCTION DIA

Loader Valve 3 Spool, Incl 6 - 13

1шт.

Valid for 580N (Livery) NRC Model Only, W/ Mechanical Control and Powershift Transmission

1шт.

To See Full DIA KIT Composition Look for all the Figures Where the DIA KIT P/N Is Shown

1шт.

14

47955728

CONSTRUCTION DIA

Loader Valve 3 Spool, Incl 6 - 13

1шт.

Valid for 580SN (Livery) NRC, 580SN WT (Livery) NRC, 590SN (Livery) NRC Models Only, W/ Mechanical Control and Standard Transmission

1шт.

To See Full DIA KIT Composition Look for all the Figures Where the DIA KIT P/N Is Shown

1шт.

14

47955736

CONSTRUCTION DIA

Loader Valve 3 Spool, Incl 6 - 13

1шт.

Valid for 580SN (Livery) NRC, 580SN WT (Livery) NRC, 590SN (Livery) NRC Models Only, W/ Mechanical Control and Powershift Transmission

1шт.

To See Full DIA KIT Composition Look for all the Figures Where the DIA KIT P/N Is Shown

1шт.

14

47955743

CONSTRUCTION DIA

Loader Valve 3 Spool, Incl 6 - 13

1шт.

Valid for 580N (Livery) NRC Model Only, W/ Pilot Control and Powershuttle Transmission

1шт.

To See Full DIA KIT Composition Look for all the Figures Where the DIA KIT P/N Is Shown

1шт.

Выбрано товаров: 31