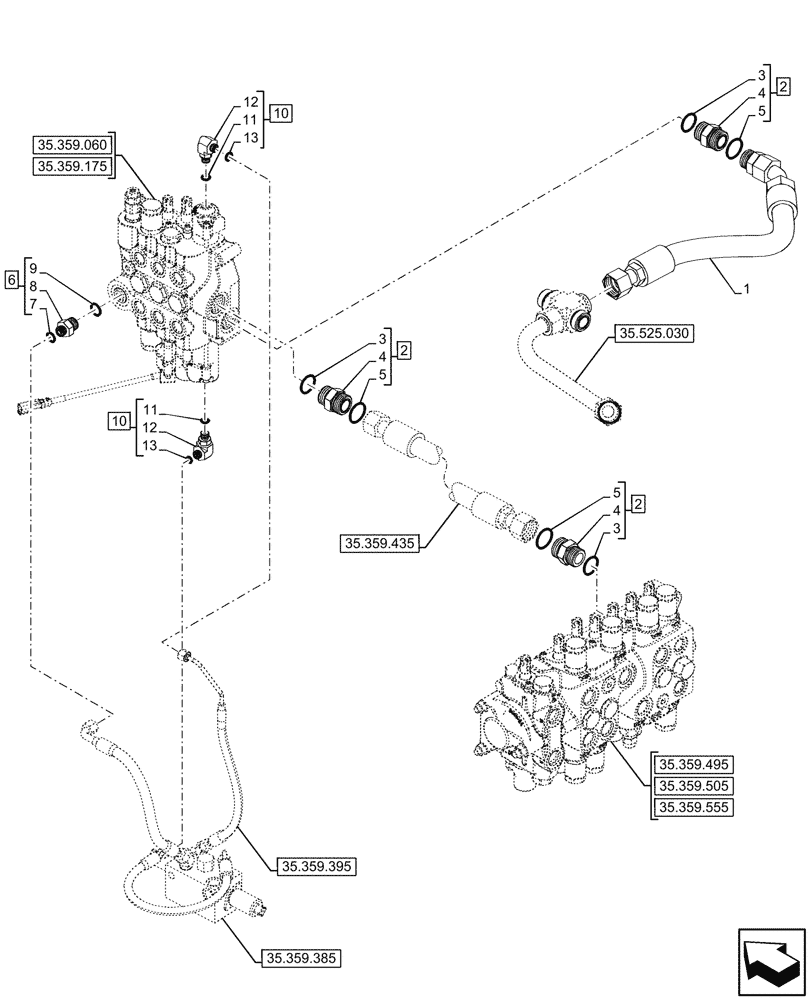
Запчасти Case 580N (35.359.075) - VAR - 747776 - LOADER, BACKHOE, CONTROL, VALVE, LINES (35) - HYDRAULIC SYSTEMS

Схема запчастей Case 580N - (35.359.075) - VAR - 747776 - LOADER, BACKHOE, CONTROL, VALVE, LINES (35) - HYDRAULIC SYSTEMS
35.359.385
12
5
12
3
5
2
2
10
4
4
10
11
5
7
6
3
1
8
13
13
9
3
11
2
4
35.359.505
35.525.030
35.359.435
35.359.060
35.359.175
35.359.495
35.359.395
35.359.555
FIT
1:1
100%

Артикул

Название

Примечание

Количество

1

48038828

HYDRAULIC HOSE,25mm ID x 640mm L

Loader Valve to Tank

1шт.

2

9824055

HYD CONNECTOR,1-7/16" - 12 ORFS x 1-5/16" - 12 ORB

ASSY, Incl 3 - 5

3шт.

3

167268

O-RING,0.116" Thk x 1.171" ID, -916, Cl 6, 90 Duro

3шт.

4

NSS

NOT SOLD SEPARAT

Connector, Incl in 2

3шт.

5

9824050

O-RING,0.07" Thk x 0.926" ID, -21, Cl 6, 90 Duro

3шт.

6

84139327

HYD CONNECTOR

ASSY, Incl 7 - 9

1шт.

7

9993141

O-RING,0.07" Thk x 0.364" ID, -12, Cl 6, 90 Duro

1шт.

8

NSS

NOT SOLD SEPARAT

Connector, Incl in 6

1шт.

9

167269

O-RING,0.097" Thk x 0.755" ID, -910, Cl 6, 90 Duro

1шт.

10

9840542

ELBOW,90 Degree, 9/16"-18 x 9/16"-18, Adj, ORFS

ASSY, Incl 11 - 13

2шт.

11

9617873

O-RING,0.078" Thk x 0.468" ID, -906, Cl 6, 90 Duro

2шт.

12

NSS

NOT SOLD SEPARAT

90° Elbow, Incl in 10

2шт.

13

9825770

O-RING,0.07" Thk x 0.301" ID, -11, Cl 6, 90 Duro

2шт.

Выбрано товаров: 13