Запчасти Case 580N (35.359.260) - LOADER, CONTROL VALVE, LINES (35) - HYDRAULIC SYSTEMS

Схема запчастей Case 580N - (35.359.260) - LOADER, CONTROL VALVE, LINES (35) - HYDRAULIC SYSTEMS
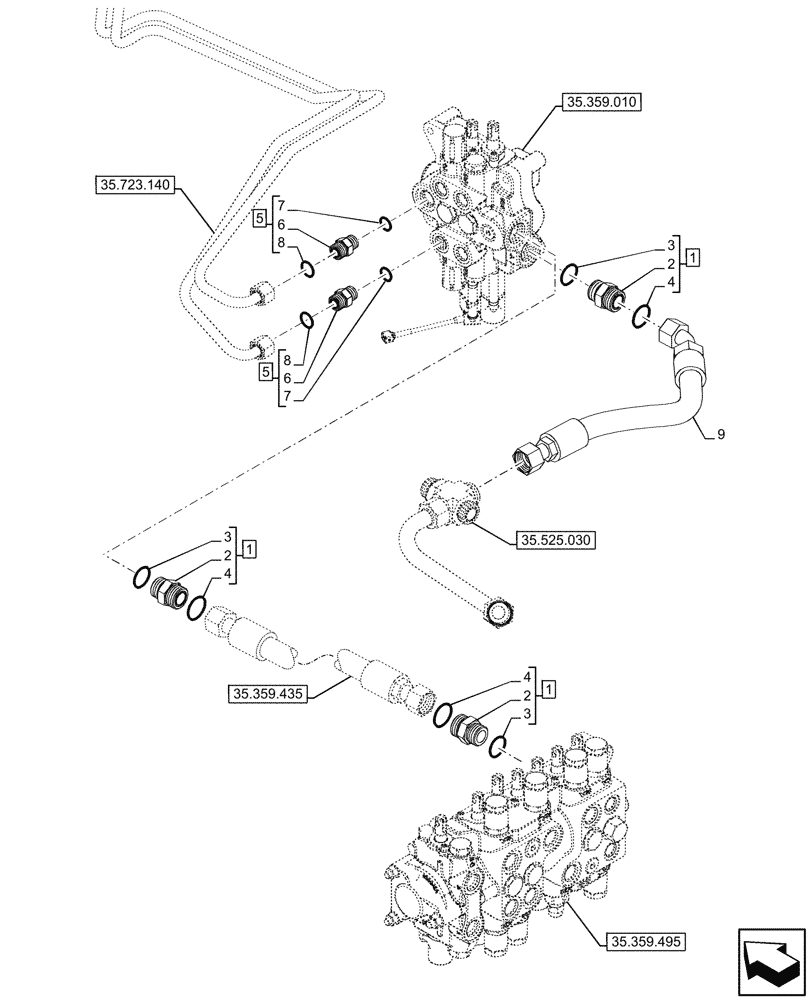
35.723.140
9
4
4
4
2
2
7
6
3
6
1
5
1
5
3
3
8
1
8
2
7
35.525.030
35.359.435
35.359.495
35.359.010
FIT
1:1
100%

Артикул

Название

Примечание

Количество

1

9824055

HYD CONNECTOR,1-7/16" - 12 ORFS x 1-5/16" - 12 ORB

ASSY, Incl 2 - 4

3шт.

2

NSS

NOT SOLD SEPARAT

Connector, Incl in 1

3шт.

3

167268

O-RING,0.116" Thk x 1.171" ID, -916, Cl 6, 90 Duro

3шт.

4

9824050

O-RING,0.07" Thk x 0.926" ID, -21, Cl 6, 90 Duro

3шт.

5

9621483

HYD CONNECTOR,1"-14 ORFS x 7/8"-14 ORB

ASSY, Incl 6 - 8

2шт.

6

NSS

NOT SOLD SEPARAT

Connector, Incl in 5

2шт.

7

128359

O-RING,0.07" Thk x 0.614" ID, -16, Cl 5, 75 Duro

2шт.

8

167269

O-RING,0.097" Thk x 0.755" ID, -910, Cl 6, 90 Duro

2шт.

9

48038828

HYDRAULIC HOSE,25mm ID x 640mm L

Loader Valve to Tank

1шт.

Выбрано товаров: 9