Запчасти Case 580N (35.359.285) - 6-SPOOL, BACKHOE CONTROL VALVE, STANDARD DIPPER, FOOT SWING, BRAZIL, W/O 2 LEVER CONTROLS, COMPONENTS (35) - HYDRAULIC SYSTEMS

Схема запчастей Case 580N - (35.359.285) - 6-SPOOL, BACKHOE CONTROL VALVE, STANDARD DIPPER, FOOT SWING, BRAZIL, W/O 2 LEVER CONTROLS, COMPONENTS (35) - HYDRAULIC SYSTEMS
35
29
24
22
8
1
31
27
18
26
21
30
5
15
12
37
32
2
7
36
39
23
34
25
28
33
11
10
6
16
14
4
22
19
20
3
13
17
24
9
38
FIT
1:1
100%

Артикул

Название

Примечание

Количество

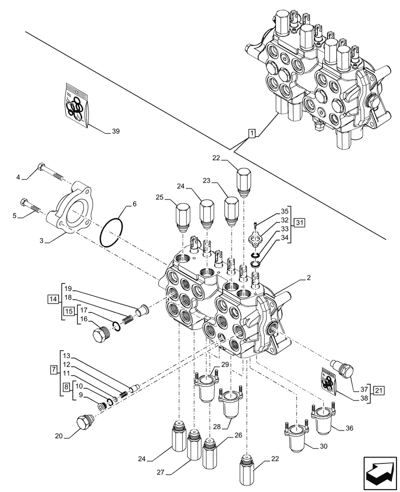
1

47579595

VALVE

ASSY, Backhoe, 6 Spool Foot Swing, Incl 2 - 39

1шт.

2

NSS

NOT SOLD SEPARAT

Block, Incl in 1

1шт.

3

87433030

OUTLET

Outlet

1шт.

4

87428491

SCREW,Hex

4шт.

5

87428492

SCREW,Hex

1шт.

6

87428495

O-RING,3.50" ID x 3.76" OD x .139" thk

2шт.

7

87428486

VALVE, CHECK

ASSY, Incl 8 - 13

1шт.

8

87455593

PLUG,7/8" - 14 ORB

ASSY, Incl 9, 10

1шт.

9

NSS

NOT SOLD SEPARAT

Plug, Incl in 8

1шт.

10

87455974

O-RING,0.097" Thk x 0.755" ID

1шт.

11

87455594

WASHER

Plastic

1шт.

12

87455595

SPRING

1шт.

13

87455596

PISTON

Poppet, Low Leak

1шт.

14

87426238

VALVE, CHECK

ASSY, Incl 15 - 19

3шт.

15

87455581

PLUG,Hex, 1/16" - 12 ORB

ASSY, Incl 16, 17

3шт.

16

NSS

NOT SOLD SEPARAT

Plug, Incl in 15

3шт.

17

87455975

O-RING

3шт.

18

87455582

SPRING

3шт.

19

87455583

VALVE POPPET

Load Check

3шт.

20

47538073

CHECK VALVE

1шт.

21

81868381

CHECK VALVE,1-1/16" - 12

ASSY, Anti Void, Incl 37, 38

1шт.

22

47520547

VALVE PRESSURE RELIE,205 Bar

Swing 207 Bar

2шт.

23

47537935

VALVE PRESSURE RELIE,221 Bar

1шт.

24

47520548

VALVE PRESSURE RELIE

283 Bar

2шт.

25

47520553

VALVE PRESSURE RELIE

Bucket A Port

1шт.

26

47520550

VALVE PRESSURE RELIE

Boom B Port

1шт.

27

47520549

VALVE PRESSURE RELIE

Dipper B Port

1шт.

28

84296826

SERVICE KIT

Mechanical Stabilizer End Group B Port

2шт.

29

84296859

KIT

Mechanical Backhoe Valve B Port End G

2шт.

30

84296862

KIT

Mech Boom B Port End Group

1шт.

31

87541939

GASKET KIT

ASSY, Incl 32 - 35

6шт.

32

87455536

RETAINING PLATE

6шт.

33

71103058

O-RING

6шт.

34

85999136

SEAL,17.6mm ID x 26.84mm OD x 5.42mm Thk

6шт.

35

87455540

HEX SOC SCREW

12шт.

36

84296861

SERVICE KIT

Foot Swing B Port End Group

1шт.

37

NSS

NOT SOLD SEPARAT

Anti Void Valve, Incl in 21

1шт.

38

87455580

O-RING KIT

Backhoe Control Valve, Anti-Void Check Valve

1шт.

39

47556611

SEAL KIT

Mechanical Backhoe Valve Seal

1шт.

Выбрано товаров: 39