Запчасти Case 580N (35.359.455) - LOADER, BACKHOE CONTROL VALVE, LINE, W/ 2 SPOOL, W/O PILOT CONTROLS (35) - HYDRAULIC SYSTEMS

Схема запчастей Case 580N - (35.359.455) - LOADER, BACKHOE CONTROL VALVE, LINE, W/ 2 SPOOL, W/O PILOT CONTROLS (35) - HYDRAULIC SYSTEMS
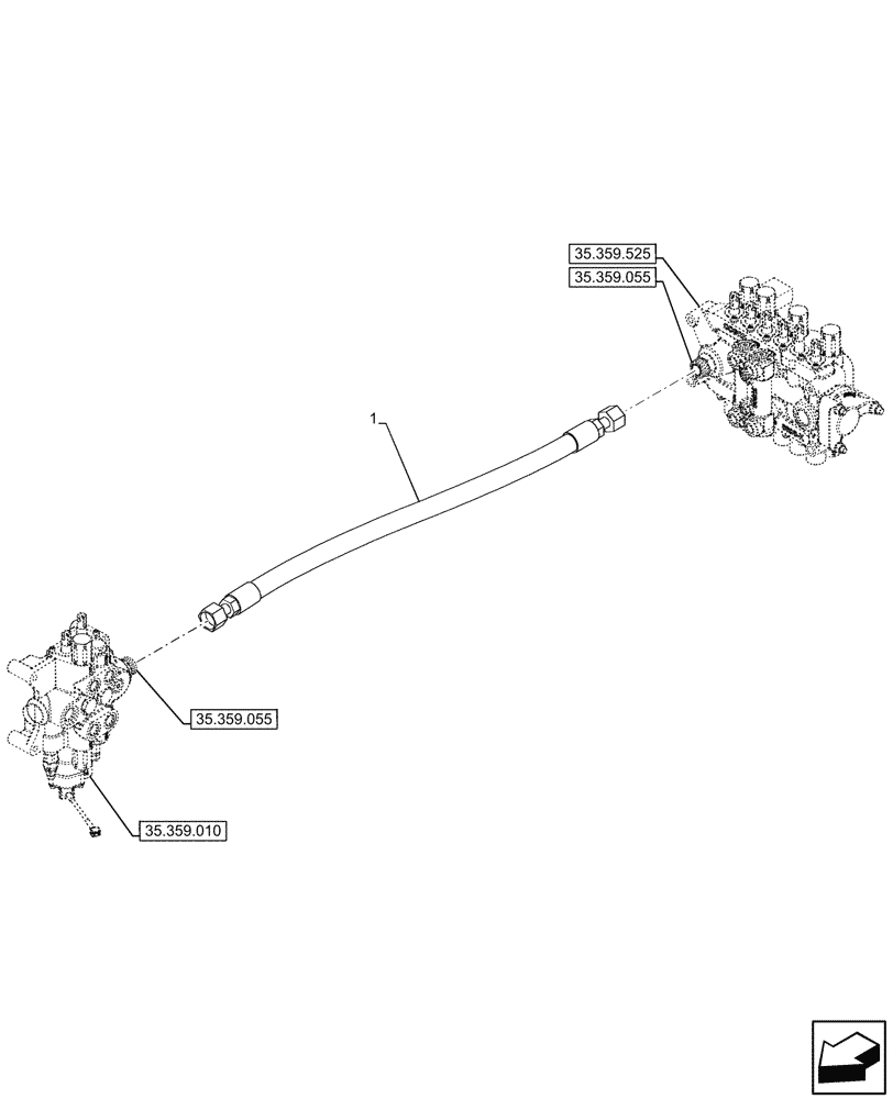
35.359.055
1
35.359.525
35.359.010
35.359.055
FIT
1:1
100%

Артикул

Название

Примечание

Количество

1

84468306

HYDRAULIC HOSE,19mm ID x 974mm L

Loader Valve to Backhoe Valve

1шт.

Выбрано товаров: 1