Запчасти Case 580N (35.359.515) - 6-SPOOL, BACKHOE CONTROL VALVE, STANDARD DIPPER, HAND SWING,W/ 2 LEVER CONTROLS, W/O DOUBLE AUXILIARY HYDRAULIC, MOUNTING PARTS (35) - HYDRAULIC SYSTEMS

Схема запчастей Case 580N - (35.359.515) - 6-SPOOL, BACKHOE CONTROL VALVE, STANDARD DIPPER, HAND SWING,W/ 2 LEVER CONTROLS, W/O DOUBLE AUXILIARY HYDRAULIC, MOUNTING PARTS (35) - HYDRAULIC SYSTEMS
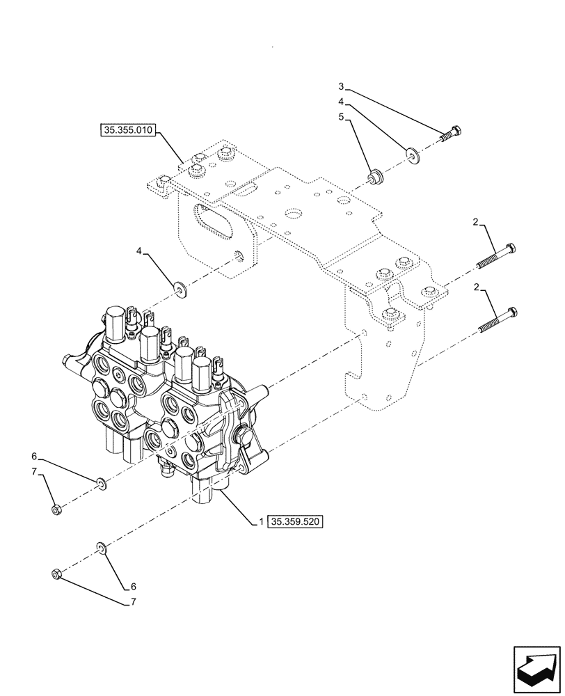
35.359.520
6
7
2
4
1
3
7
5
4
6
2
35.355.010
FIT
1:1
100%

Артикул

Название

Примечание

Количество

1

47578529

VALVE

ASSY, 6 Sppol, Hand Swing

1шт.

1

47578529R

REMAN-HYD VALVE

Reman Valve ASSY, 6 Sppol, Hand Swing

1шт.

1

47578529C

CORE-VALVE HYD

Return Number

1шт.

2

814-10080

BOLT,Hex, M10 x 1.5 x 80mm, Cl 8.8

2шт.

3

614-10035

BOLT,Hex, M10 x 1.5 x 35mm, Cl 8.8, Full Thd

1шт.

4

87687101

WASHER,10.65mm ID x 31mm OD x 3.3mm Thk

2шт.

5

D52276

ISOLATOR,10.16mm ID x 28.07mm OD x mm L

1шт.

6

87655046

SPECIAL WASHER,10.65mm ID x 23mm OD x 2.2mm Thk

2шт.

7

829-1410

NUT,M10 x 1.5, Cl 10.9

2шт.

Выбрано товаров: 9