Запчасти Case 580N (35.359.535) - 7-SPOOL, BACKHOE CONTROL VALVE, EXTANDABLE DIPPER, FOOT SWING, W/O 2 LEVER CONTROLS, W/O DOBLE AUXILIARY HYDRAULIC, MOUNTING PARTS (35) - HYDRAULIC SYSTEMS

Схема запчастей Case 580N - (35.359.535) - 7-SPOOL, BACKHOE CONTROL VALVE, EXTANDABLE DIPPER, FOOT SWING, W/O 2 LEVER CONTROLS, W/O DOBLE AUXILIARY HYDRAULIC, MOUNTING PARTS (35) - HYDRAULIC SYSTEMS
35.356.050
3
6
5
6
1
2
4
8
4
7
7
2
35.359.540
FIT
1:1
100%

Артикул

Название

Примечание

Количество

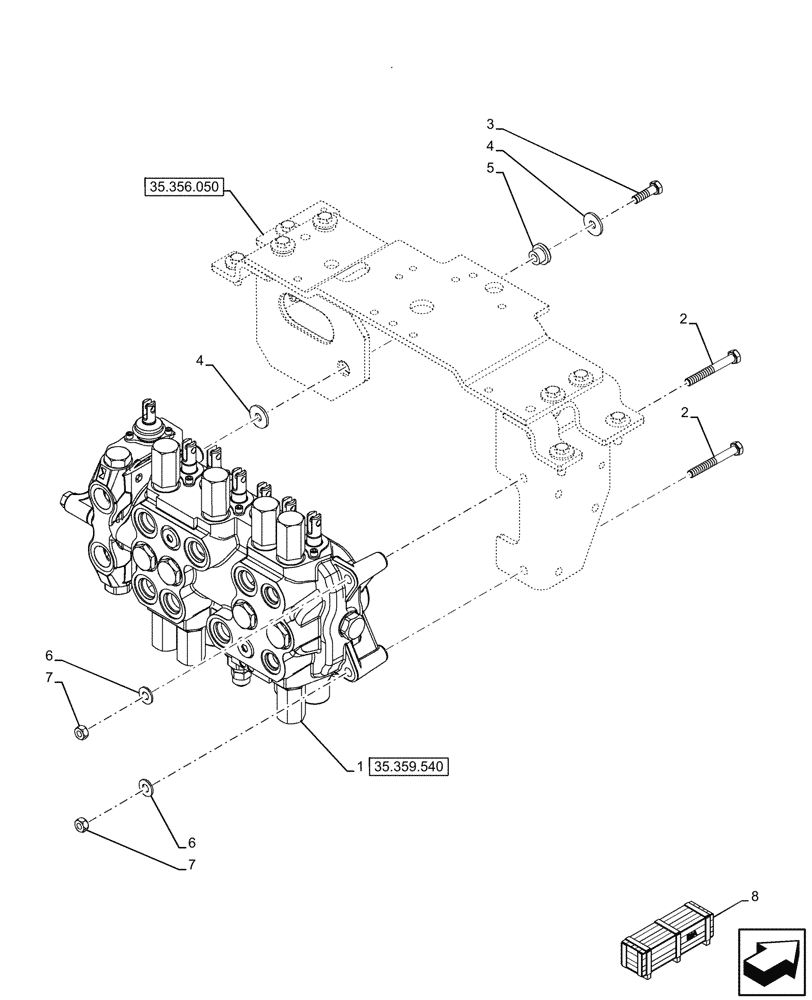
1

47578534

VALVE

ASSY

1шт.

2

814-10080

BOLT,Hex, M10 x 1.5 x 80mm, Cl 8.8

2шт.

3

614-10035

BOLT,Hex, M10 x 1.5 x 35mm, Cl 8.8, Full Thd

1шт.

4

87687101

WASHER,10.65mm ID x 31mm OD x 3.3mm Thk

2шт.

5

D52276

ISOLATOR,10.16mm ID x 28.07mm OD x mm L

1шт.

6

87655046

SPECIAL WASHER,10.65mm ID x 23mm OD x 2.2mm Thk

2шт.

7

829-1410

NUT,M10 x 1.5, Cl 10.9

2шт.

8

47945930

CONSTRUCTION DIA

Conversion 2 Lever to Foot Swing, Incl 3, 4

1шт.

Valid for All Models, W/ Extendable Dipper

1шт.

To See Full DIA KIT Composition Look for all the Figures Where the DIA KIT P/N Is Shown

1шт.

8

47945945

CONSTRUCTION DIA

Conversion Foot Swing to 2 Lever, Incl 3, 4

1шт.

Valid for All Models, W/ Standard Dipper

1шт.

To See Full DIA KIT Composition Look for all the Figures Where the DIA KIT P/N Is Shown

1шт.

8

47945946

CONSTRUCTION DIA

Conversion Foot Swing to 2 Lever, Incl 3, 4

1шт.

Valid for All Models, W/ Extendable Dipper

1шт.

To See Full DIA KIT Composition Look for all the Figures Where the DIA KIT P/N Is Shown

1шт.

Выбрано товаров: 16