Запчасти Case 580N (35.701.120) - VAR - 747873 - RIDE CONTROL, VALVE, HYDRAULIC LINE, TANK (35) - HYDRAULIC SYSTEMS

Схема запчастей Case 580N - (35.701.120) - VAR - 747873 - RIDE CONTROL, VALVE, HYDRAULIC LINE, TANK (35) - HYDRAULIC SYSTEMS
35.300.060
12
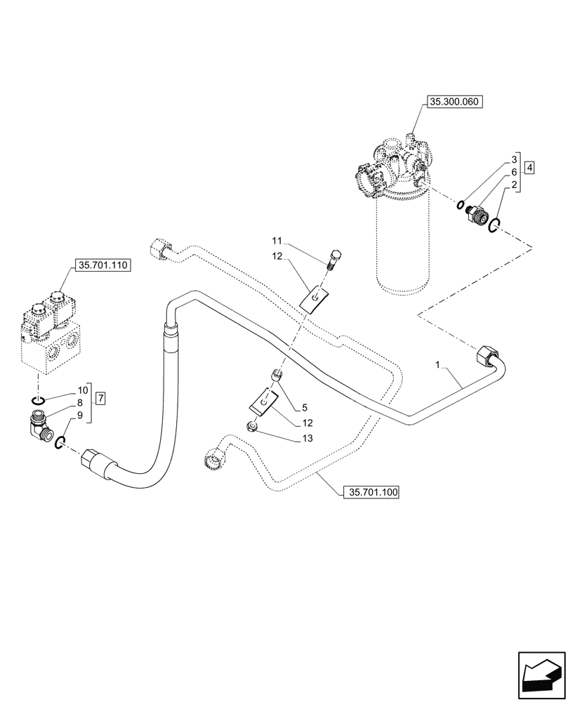
1
13
6
4
10
8
3
9
7
11
12
5
2
35.701.110
35.701.100
FIT
1:1
100%

Артикул

Название

Примечание

Количество

1

48033286

HYD TUBE

ASSY, Ride Control T Port

1шт.

2

238-6016

O-RING,0.07" Thk x 0.614" ID, -16, Cl 6, 90 Duro

1шт.

3

237-6006

O-RING,0.078" Thk x 0.468" ID, -906, Cl 6, 90 Duro

1шт.

4

201-132

HYD CONNECTOR,1"-14 ORFS x 7/16"-20 ORB

ASSY, Incl 2, 3, 6

1шт.

5

120303A1

SPACER,11mm ID x 15.82mm OD x 15mm Thk

1шт.

6

NSS

NOT SOLD SEPARAT

Connector, Incl in 4

1шт.

7

201-343

ELBOW,90 Degree Elbow, 1" - 14 Male ORFS x 3/4" - 16 Male ORB

ASSY, Incl 8 - 10

1шт.

See also Hyd Connector Components in Figure 35.701.130

1шт.

8

NSS

NOT SOLD SEPARAT

90° Elbow, Incl in 7

1шт.

9

9992069

O-RING,0.07" Thk x 0.614" ID, -16, Cl 6, 90 Duro

1шт.

10

128825

O-RING,0.087" Thk x 0.644" ID, -908, Cl 6, 90 Duro

1шт.

11

814-10045

BOLT,Hex, M10 x 1.5 x 45mm, Cl 8.8

1шт.

12

D138055

CLAMP

2шт.

13

829-1410

NUT,M10 x 1.5, Cl 10.9

1шт.

Выбрано товаров: 14