Запчасти Case 580N (35.701.130) - VAR - 747873 - RIDE CONTROL, VALVE, HYDRAULIC LINE (35) - HYDRAULIC SYSTEMS

Схема запчастей Case 580N - (35.701.130) - VAR - 747873 - RIDE CONTROL, VALVE, HYDRAULIC LINE (35) - HYDRAULIC SYSTEMS
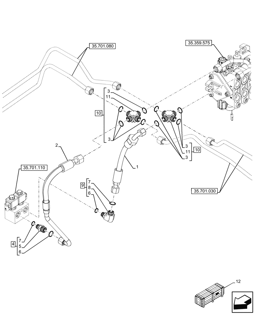
35.701.080
11
7
3
9
7
11
3
2
10
6
3
1
6
3
4
5
10
8
12
35.359.575
35.701.030
35.701.110
FIT
1:1
100%

Артикул

Название

Примечание

Количество

1

47473494

HYDRAULIC HOSE,12.5mm ID x 341.8mm L, SAE 100R16 Type S

Ride Control P2 Port

1шт.

2

84290490

HYD TUBE

1шт.

3

9992069

O-RING,0.07" Thk x 0.614" ID, -16, Cl 6, 90 Duro

8шт.

4

201-115

HYD CONNECTOR,1" - 14 Male ORFS x 3/4" - 16 Male ORB

ASSY, Incl 5, 6 (Qty 1), 7 (Qty 1)

1шт.

5

NSS

NOT SOLD SEPARAT

Connector, Incl in 4

1шт.

6

237-6008

O-RING,0.087" Thk x 0.644" ID, -908, Cl 6, 90 Duro

2шт.

7

238-6016

O-RING,0.07" Thk x 0.614" ID, -16, Cl 6, 90 Duro

2шт.

8

NSS

NOT SOLD SEPARAT

90° Elbow, Incl in 9

1шт.

9

201-343

ELBOW,90 Degree Elbow, 1" - 14 Male ORFS x 3/4" - 16 Male ORB

ASSY, Incl 6 (Qty 1), 7 (Qty 1), 8

1шт.

10

87338053

4 WAY CONNECTION

ASSY, Incl 3, 11

2шт.

11

NSS

NOT SOLD SEPARAT

Cross, Incl in 10

2шт.

12

47880085

CONSTRUCTION DIA

Ride Control, Incl 1 - 10

1шт.

To See Full DIA KIT Composition Look for all the Figures Where the DIA KIT P/N Is Shown

1шт.

Выбрано товаров: 13