Запчасти Case 580N (35.701.450) - VAR - 747776, 747864 - LOADER, CONTROL VALVE, 3-SPOOL, LINES (35) - HYDRAULIC SYSTEMS

Схема запчастей Case 580N - (35.701.450) - VAR - 747776, 747864 - LOADER, CONTROL VALVE, 3-SPOOL, LINES (35) - HYDRAULIC SYSTEMS
35.701.230
1
2
2
6
3
5
1
4
3
4
35.359.060
35.359.095
FIT
1:1
100%

Артикул

Название

Примечание

Количество

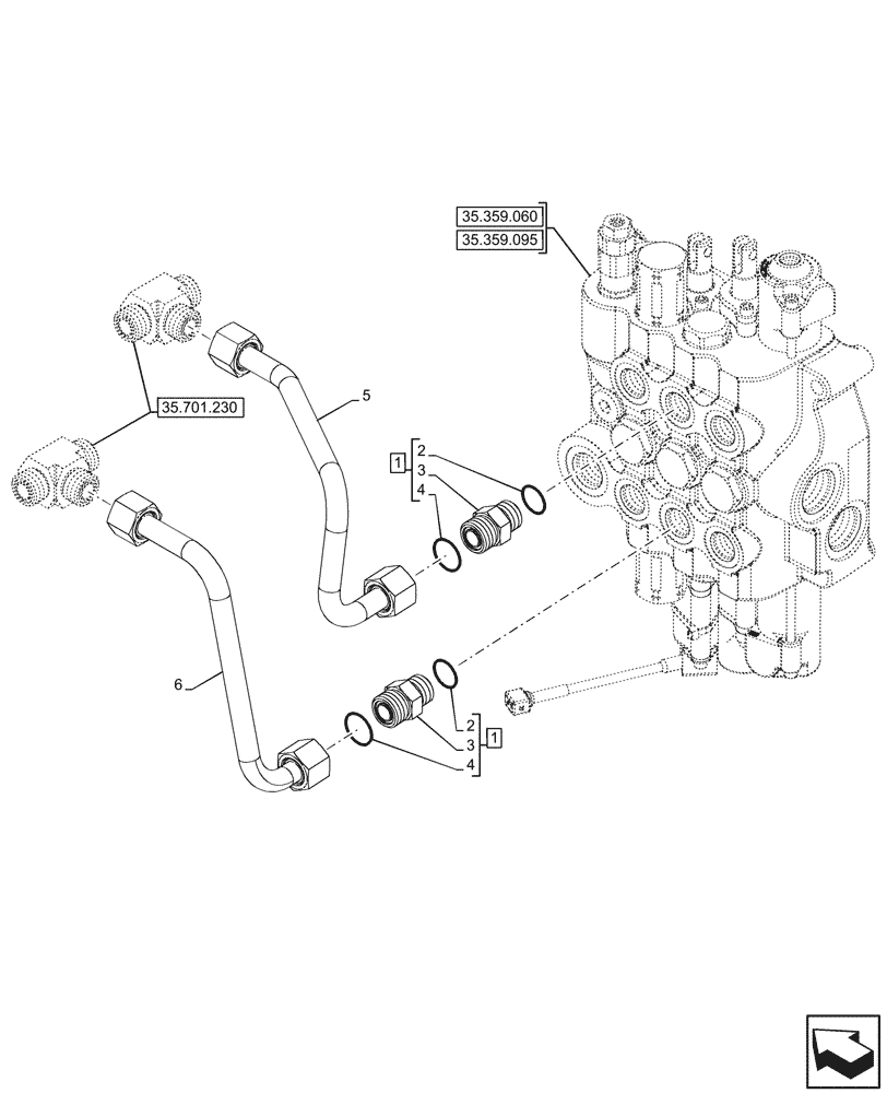
1

84293154

TUBE

Loader Lift Port A

1шт.

2

84293149

TUBE

Loader Lift Port B

1шт.

3

9621483

HYD CONNECTOR,1"-14 ORFS x 7/8"-14 ORB

ASSY, Incl 4 - 6

2шт.

4

NSS

NOT SOLD SEPARAT

Connector, Incl in 3

2шт.

5

128359

O-RING,0.07" Thk x 0.614" ID, -16, Cl 5, 75 Duro

2шт.

6

167269

O-RING,0.097" Thk x 0.755" ID, -910, Cl 6, 90 Duro

2шт.

Выбрано товаров: 6