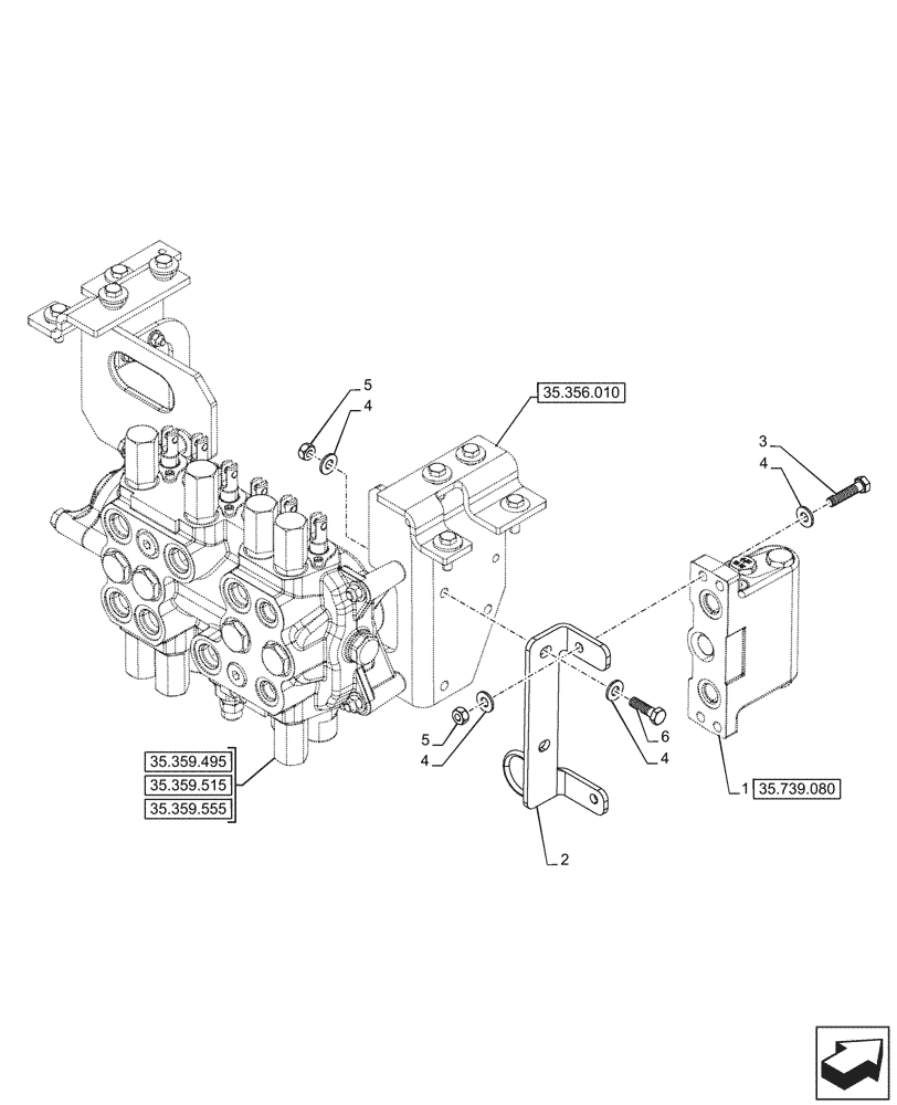
Запчасти Case 580N (35.739.070) - BOOM SWING, MECHANICAL, CONTROLS, DAMPING VALVE (35) - HYDRAULIC SYSTEMS

Схема запчастей Case 580N - (35.739.070) - BOOM SWING, MECHANICAL, CONTROLS, DAMPING VALVE (35) - HYDRAULIC SYSTEMS
35.356.010
1
5
3
5
6
4
4
4
2
4
35.359.515
35.359.495
35.359.555
35.739.080
FIT
1:1
100%

Артикул

Название

Примечание

Количество

1

87480653

DAMPING VALVE

ASSY

1шт.

2

87648711

BRACKET

Swing Dampening and Hose

1шт.

3

86980404

BOLT,Hex, M10 x 1.5 x 45mm, Cl 8.8

2шт.

4

87655046

SPECIAL WASHER,10.65mm ID x 23mm OD x 2.2mm Thk

8шт.

5

829-1410

NUT,M10 x 1.5, Cl 10.9

4шт.

6

614-10035

BOLT,Hex, M10 x 1.5 x 35mm, Cl 8.8, Full Thd

2шт.

Выбрано товаров: 6