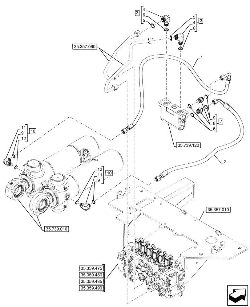
Запчасти Case 580N (35.739.130) - VAR - 747669 - BOOM SWING, PILOT CONTROLS, DAMPING VALVE, LINE (35) - HYDRAULIC SYSTEMS

Схема запчастей Case 580N - (35.739.130) - VAR - 747669 - BOOM SWING, PILOT CONTROLS, DAMPING VALVE, LINE (35) - HYDRAULIC SYSTEMS
35.739.120
7
12
9
2
11
5
10
11
5
4
6
1
12
3
3
9
6
10
8
6
9
10
4
35.357.060
35.359.490
35.359.485
35.739.010
35.359.475
35.357.010
35.359.480
FIT
1:1
100%

Артикул

Название

Примечание

Количество

1

84399174

HOSE ASSY.,10mm ID x 1285mm L

Swing Cylinder to Dampening Valve LH

1шт.

2

84328810

HOSE ASSY.,12.5mm ID x 899mm L

Swing Cylinder to Dampening Valve RH

1шт.

3

87675522

90 ELBOW,90 Degree 1"-14 x 7/8"-14 Adj ORFS

ASSY, Incl 4, 5, 6 (Qty 2)

2шт.

4

NSS

NOT SOLD SEPARAT

90° Elbow, Incl in 3

2шт.

5

9992069

O-RING,0.07" Thk x 0.614" ID, -16, Cl 6, 90 Duro

2шт.

6

167269

O-RING,0.097" Thk x 0.755" ID, -910, Cl 6, 90 Duro

4шт.

7

87610720

HYD CONNECTOR,7/8" - 14 ORB x 13/16" - 16 ORFS

ASSY, Incl 6 (Qty 2), 8, 9 (Qty 2)

2шт.

8

NSS

NOT SOLD SEPARAT

Connector, Incl in 7

2шт.

9

9992298

O-RING,0.07" Thk x 0.489" ID, -14, Cl 6, 90 Duro

4шт.

10

9992307

90 ELBOW,90 Degree, 13/16"-16 x 3/4"-16 Adj, ORFS

ASSY, Incl 9 (Qty 2), 11, 12

2шт.

11

NSS

NOT SOLD SEPARAT

90° Elbow, Incl in 10

2шт.

12

128825

O-RING,0.087" Thk x 0.644" ID, -908, Cl 6, 90 Duro

2шт.

Выбрано товаров: 12