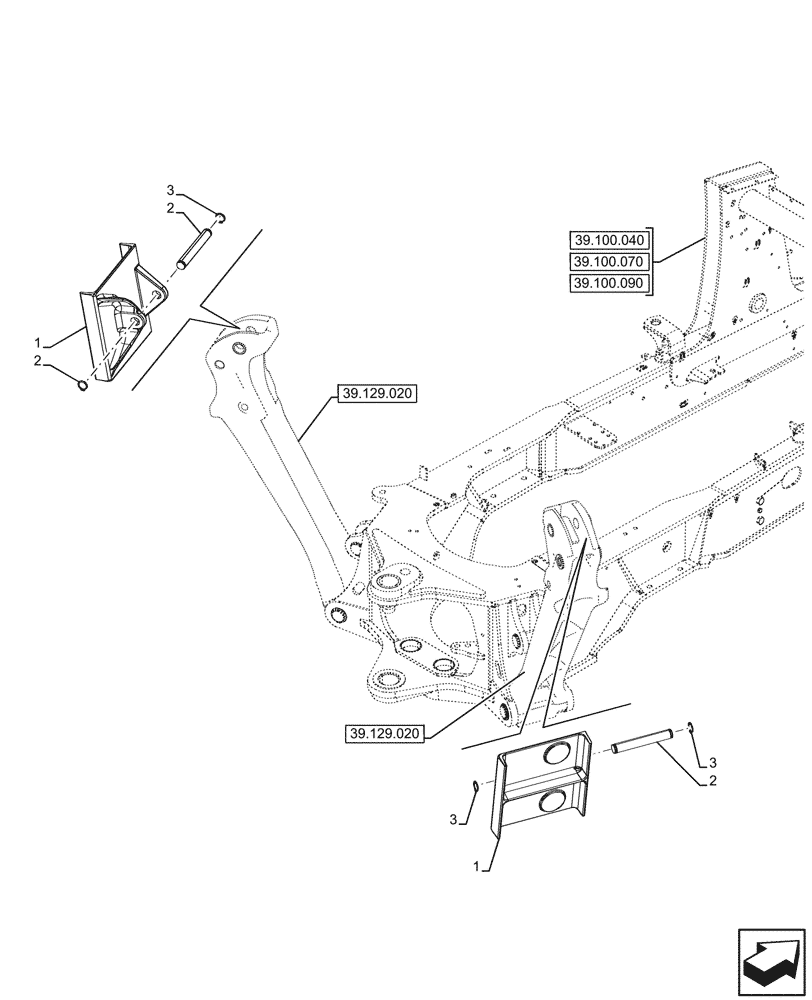
Запчасти Case 580N (39.129.050) - VAR - 442055 - STABILIZER, PAD (39) - FRAMES AND BALLASTING

Схема запчастей Case 580N - (39.129.050) - VAR - 442055 - STABILIZER, PAD (39) - FRAMES AND BALLASTING
39.100.090
1
2
2
3
1
2
3
3
39.100.040
39.100.070
39.129.020
39.129.020
FIT
1:1
100%

Артикул

Название

Примечание

Количество

1

47959670

PAD

Grey

2шт.

2

D28648

PIN,1.5" OD x 10 7/16" L

2шт.

3

D25279

SNAP RING,M35, Int

4шт.

Выбрано товаров: 3