Запчасти Case 580N (41.216.100) - STEERING CYLINDER HYD. LINE (41) - STEERING

Схема запчастей Case 580N - (41.216.100) - STEERING CYLINDER HYD. LINE (41) - STEERING
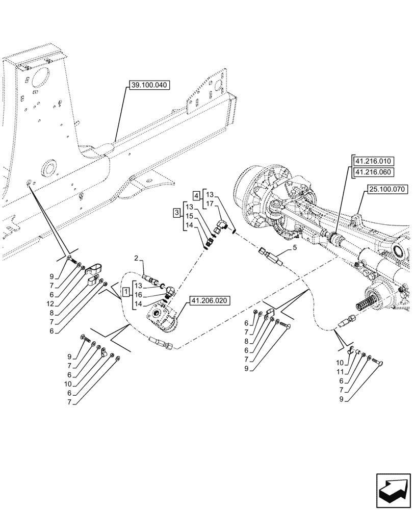
41.216.060
7
7
8
2
6
6
1
9
17
11
12
9
6
10
6
7
6
9
8
4
9
7
15
14
10
3
7
13
16
14
7
13
13
6
5
7
6
41.216.010
25.100.070
41.206.020
39.100.040
FIT
1:1
100%

Артикул

Название

Примечание

Количество

1

9992307

90 ELBOW,90 Degree, 13/16"-16 x 3/4"-16 Adj, ORFS

ASSY, Incl 13 (Qty 1), 14 (Qty 1), 16

1шт.

2

84554256

HYDRAULIC HOSE,10mm ID x 1405mm L

LH Steering, Pump to Front Axle

1шт.

3

9992305

HYD CONNECTOR,13/16" - 16 ORFS x 3/4" - 16 ORB

ASSY, Incl 13 (Qty 1), 14 (Qty 1), 15

1шт.

4

84989383

90 ELBOW,90 Degree, 13/16"-16 ORFS x 13/16"-16 Fem Sw

ASSY, Incl 13 (Qty 1), 17

1шт.

5

84386030

HYD TUBE

RH Steering, Pump to Front Axle

1шт.

6

829-1410

NUT,M10 x 1.5, Cl 10.9

7шт.

7

87655046

SPECIAL WASHER,10.65mm ID x 23mm OD x 2.2mm Thk

7шт.

8

L302731

CLAMP,19mm D Clamping Pipes

2шт.

9

711-10050

CARRIAGE BOLT,Sq Nk, M10 x 1.5 x 50mm, Cl 8.8

4шт.

10

515-23159

CLAMP,5/8", Insul, 3/8" Bolt

2шт.

11

120303A1

SPACER,11mm ID x 15.82mm OD x 15mm Thk

1шт.

12

D39696

CLAMP,25.40mm - 13.49mm Bolt, CTD

1шт.

13

9992298

O-RING,0.07" Thk x 0.489" ID, -14, Cl 6, 90 Duro

3шт.

14

128825

O-RING,0.087" Thk x 0.644" ID, -908, Cl 6, 90 Duro

2шт.

15

NSS

NOT SOLD SEPARAT

Connector, Incl in 3

1шт.

16

NSS

NOT SOLD SEPARAT

90° Elbow, Incl in 1

1шт.

17

NSS

NOT SOLD SEPARAT

90° Elbow, Incl in 4

1шт.

Выбрано товаров: 17