Запчасти Case 580N (55.100.300) - CANOPY, SEMI-POWERSHIFT, TRANSMISSION, SIDE CONSOLE, HARNESS, W/ OPTION, RELAYS, FUSE BOX (55) - ELECTRICAL SYSTEMS

Схема запчастей Case 580N - (55.100.300) - CANOPY, SEMI-POWERSHIFT, TRANSMISSION, SIDE CONSOLE, HARNESS, W/ OPTION, RELAYS, FUSE BOX (55) - ELECTRICAL SYSTEMS
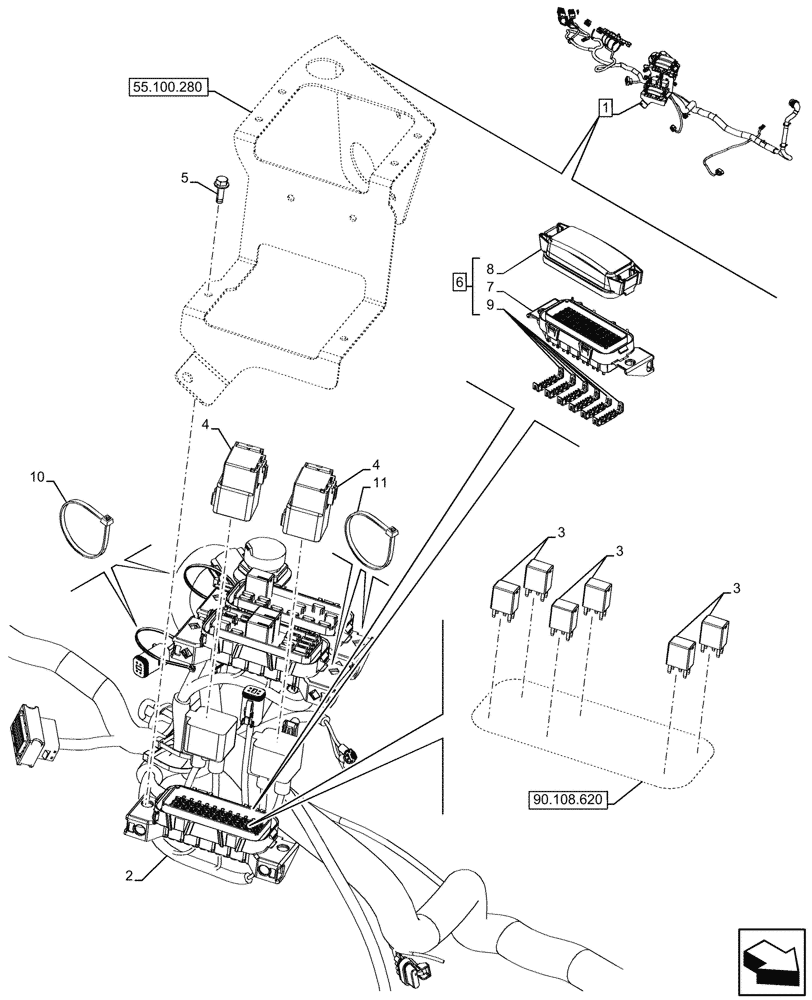
55.100.280
7
9
1
3
5
4
10
8
3
2
11
3
6
4
90.108.620
FIT
1:1
100%

Артикул

Название

Примечание

Количество

1

47714196

WIRE HARNESS

ASSY, Side Console, STD Transmission, Incl 2 - 11

1шт.

See also Wire Harness Components in Figures 55.100.280, 55.100.290, 90.108.620

1шт.

2

NSS

NOT SOLD SEPARAT

Harness, Incl in 1

1шт.

3

87655334

RELAY,12V, 35A, Micro

6шт.

4

84271717

RELAY,12V, 50A

Sealed

2шт.

5

845-6020

BOLT,Hvy Hex, M6 x 20mm, Cl 8.8

2шт.

6

84380518

FUSE BOX

ASSY, Incl 7 - 9

1шт.

7

NSS

NOT SOLD SEPARAT

Support, Incl in 6

1шт.

8

84404932

COVER

1шт.

9

84342278

CONNECTING BLOCK

6шт.

10

87000312

CABLE TIE,4.8mm W x 203.2mm OAL, Nylon

2шт.

11

84292402

CABLE TIE,203mm L

3шт.

Выбрано товаров: 12