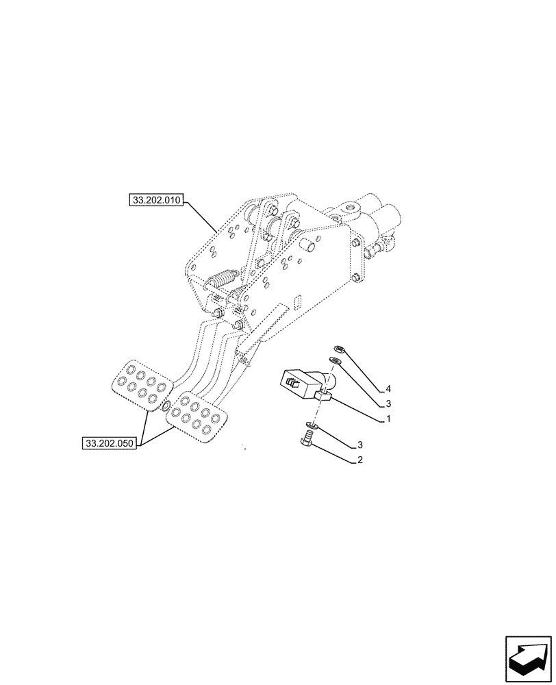
Запчасти Case 580N (55.405.010) - BRAKE, LIGHT SWITCH (55) - ELECTRICAL SYSTEMS

Схема запчастей Case 580N - (55.405.010) - BRAKE, LIGHT SWITCH (55) - ELECTRICAL SYSTEMS
33.202.050
3
2
1
3
4
33.202.010
FIT
1:1
100%

Артикул

Название

Примечание

Количество

1

82026949

PUSH BUTTON SWITCH

Brake Lights

2шт.

2

87016468

HEX SOC SCREW,M4 x 25mm, Cl 8.8

4шт.

3

895-11004

WASHER,4.3mm ID x 9mm OD x 0.8mm Thk

8шт.

4

832-10404

NUT,M4 x 0.7, Cl 8.8

4шт.

Выбрано товаров: 4