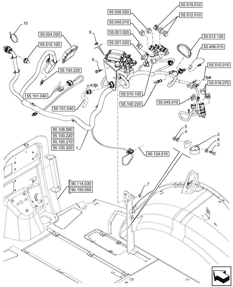
Запчасти Case 580N (55.510.110) - SEMI-POWERSHIFT, TRANSMISSION, SIDE CONSOLE, HARNESS, W/ OPTION (55) - ELECTRICAL SYSTEMS

Схема запчастей Case 580N - (55.510.110) - SEMI-POWERSHIFT, TRANSMISSION, SIDE CONSOLE, HARNESS, W/ OPTION (55) - ELECTRICAL SYSTEMS
55.510.100
8
1
7
4
9
10
2
3
5
6
90.124.010
55.101.040
55.101.040
55.100.220
55.100.220
55.100.220
55.024.020
90.114.030
55.408.010
55.526.020
55.518.070
55.045.010
55.045.010
55.051.020
55.100.200
55.512.010
55.201.020
55.100.210
55.519.010
55.512.130
90.108.580
55.510.010
90.150.050
55.510.100
FIT
1:1
100%

Артикул

Название

Примечание

Количество

1

84292427

HARNESS

ASSY, Side Console, SPS Transmission

1шт.

2

515-23444

CLAMP,1 3/4", Insul, 3/8" Bolt

1шт.

3

614-8030

BOLT,Hex, M8 x 1.25 x 30mm, Cl 8.8, Full Thd

1шт.

4

892-11008

LOCK WASHER,8mm ID

1шт.

5

824-1408

NUT,M8 x 1.25, Cl 10

1шт.

6

844-6025

BOLT,Hvy Hex, M6 x 25mm, Cl 8.8

2шт.

7

832-10406

NUT,M6 x 1, Cl 8

2шт.

8

87655042

SPECIAL WASHER,8.8mm ID x 17.5mm OD x 2.2mm Thk

1шт.

9

844-10020

BOLT,Hvy Hex, M10 x 20mm, Cl 8.8

1шт.

10

L11541

CABLE TIE,203.2mm L, Nylon

1шт.

Выбрано товаров: 10