Запчасти Case 580N (55.510.140) - CANOPY, POWERSHUTTLE, TRANSMISSION, FRONT CONSOLE, HARNESS (55) - ELECTRICAL SYSTEMS

Схема запчастей Case 580N - (55.510.140) - CANOPY, POWERSHUTTLE, TRANSMISSION, FRONT CONSOLE, HARNESS (55) - ELECTRICAL SYSTEMS
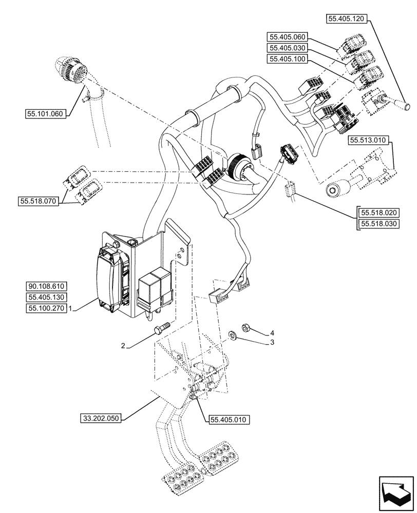
55.518.030
2
1
3
4
55.101.060
55.100.270
55.513.010
55.405.030
55.405.100
90.108.610
55.405.120
55.405.060
55.518.020
33.202.050
55.405.010
55.518.070
55.405.130
FIT
1:1
100%

Артикул

Название

Примечание

Количество

1

84342265

WIRE HARNESS

ASSY, Front Console, Canopy, SDT Transmission

1шт.

2

43127

BOLT,Hex, M8 x 1.25 x 25mm, Cl 8.8

2шт.

3

87655042

SPECIAL WASHER,8.8mm ID x 17.5mm OD x 2.2mm Thk

2шт.

4

829-1408

NUT,Hex, M8 x 1.25, Cl 10.9

2шт.

Выбрано товаров: 4