Запчасти Case 580N (55.511.020) - VAR - 442085 - CANOPY, WORK LIGHT, HARNESS (55) - ELECTRICAL SYSTEMS

Схема запчастей Case 580N - (55.511.020) - VAR - 442085 - CANOPY, WORK LIGHT, HARNESS (55) - ELECTRICAL SYSTEMS
55.510.130
4
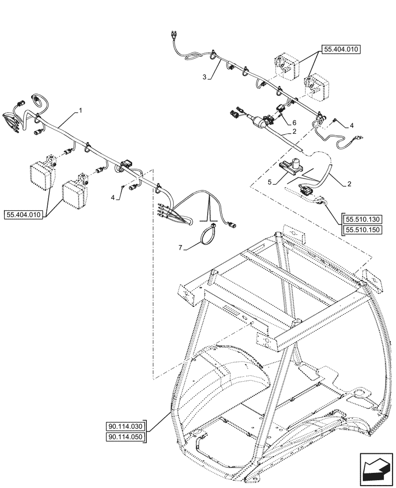
1
7
6
4
2
5
3
2
55.404.010
55.404.010
55.510.150
90.114.030
90.114.050
FIT
1:1
100%

Артикул

Название

Примечание

Количество

1

47714185

WIRE HARNESS

Rear Lights, Canopy

1шт.

2

47533349

WIRE HARNESS

A-Post, Canopy

1шт.

3

47533334

WIRE HARNESS

Front Lights, Canopy

1шт.

4

128312A1

FLANGE BOLT,Hvy Hex, M10 x 1.5 x 15mm, Gr 8.8

2шт.

5

87707841

CLIP,Hole DIA 6.35mm

1шт.

6

84415413

SCREW,Pan, 10-16" x 5/8 C/R, SST

2шт.

7

L11541

CABLE TIE,203.2mm L, Nylon

2шт.

Выбрано товаров: 0