Запчасти Case 580N (88.100.50[01]) - DIA KIT, CAB, AIR CONDITIONING, MECHANICAL (88) - ACCESSORIES

Схема запчастей Case 580N - (88.100.50[01]) - DIA KIT, CAB, AIR CONDITIONING, MECHANICAL (88) - ACCESSORIES
10.001.010
13
16
8
5
17
12
20
5
7
10
2
10
3
14
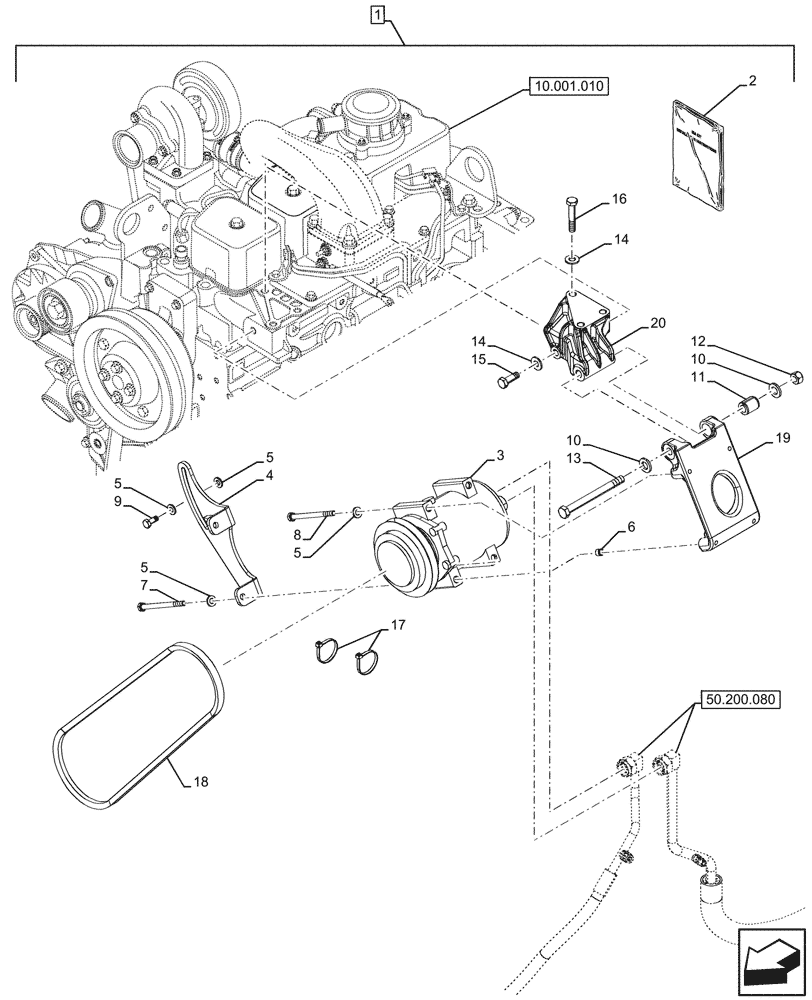
1
18
5
14
6
19
11
5
9
15
4
50.200.080
FIT
1:1
100%

Артикул

Название

Примечание

Количество

1

47955689

CONSTRUCTION DIA

Air Conditioning Conversion, Incl 2 - 20

1шт.

Refer to Installation Instructions P/N for Correct Assembly Procedure

1шт.

To See Full DIA KIT Composition Look for all the Figures Where the DIA KIT P/N Is Shown

1шт.

2

84499066

INSTRUCTION

1шт.

3

84159489

AIRCOND. COMPRESSOR,12V, W/ Clutch, W/ Pulley

W/ Clutch, W/ Pulley

1шт.

4

87429949

BRACKET, SUPPORTING

Air Conditioning, Compressor Mounting

1шт.

5

896-15008

WASHER,9mm ID x 21mm OD x 2.5mm Thk

6шт.

6

87429952

SLEEVE,8.5mm ID x 11.132mm OD x 9mm L

Spacer, Stud Dowel Ring

2шт.

7

814-8110

BOLT,Hex, M8 x 1.25 x 110mm, Cl 8.8

2шт.

8

814-8100

BOLT,Hex, M8 x 1.25 x 100mm, Cl 8.8

2шт.

9

614-8020

BOLT,Hex, M8 x 1.25 x 20mm

1шт.

10

896-11012

WASHER,13.5mm ID x 24mm OD x 3mm Thk

2шт.

11

87429951

SPACER,12.5mm ID x 22.4mm OD x 27mm L

1шт.

12

829-1412

NUT,M12, Cl 10.9

1шт.

13

814-12130

BOLT,Hex, M12 x 1.75 x 130mm, Cl 8.8

1шт.

14

896-15010

WASHER,11mm ID x 24mm OD x 3mm Thk

4шт.

15

614-10030

BOLT,Hex, M10 x 1.5 x 30mm, Cl 8.8, Full Thd

1шт.

16

814-10055

BOLT,Hex, M10 x 1.5 x 55mm, Cl 8.8

3шт.

17

L11541

CABLE TIE,203.2mm L, Nylon

1шт.

18

87393292

V-BELT,13.5 mm W x 1206.5mm L

Air Conditioning, Compressor, 36 Degrees

1шт.

19

87429948

SUPPORT

Air Conditioning, Compressor

1шт.

20

87429950

SUPPORT

Air Conditioning, Compressor Mounting

1шт.

Выбрано товаров: 22