Качественные детали и логистика
Оригинальные и аналоговые запчасти с доставкой по России, Казахстану и Беларуси
©2022 PartSell ООО "Система" ИНН 2463123282 ОГРН 1212400004838
Центральный офис: г. Красноярск, Академика Киренского, д.87, пом.4
Телефон: 8 (800) 777-65-74 Email: zakaz@partsell.ru
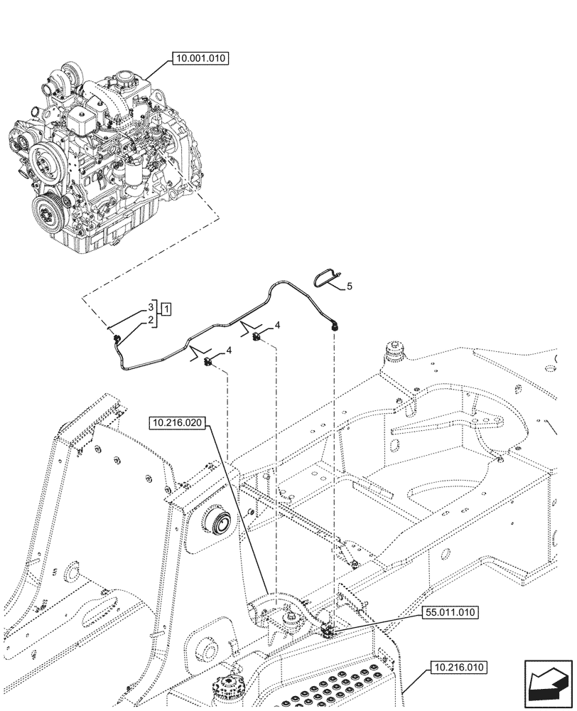
(10.216.030) - FUEL TANK, LINE
№
Артикул
Название
Примечание
Количество
1
84392116
LINE
ASSY, Fuel Line Return, Engine to Tank, Incl 2, 3
1шт.
2
NSS
NOT SOLD SEPARAT
Hose, Incl in 1
3
4894095
O-RING,2.5mm Thk x 8mm ID, 60 Duro
4
84298475
HOSE CLAMP
2шт.
5
L18331
CABLE TIE,375.9mm L, Nylon, Black
Выбрано товаров: 0