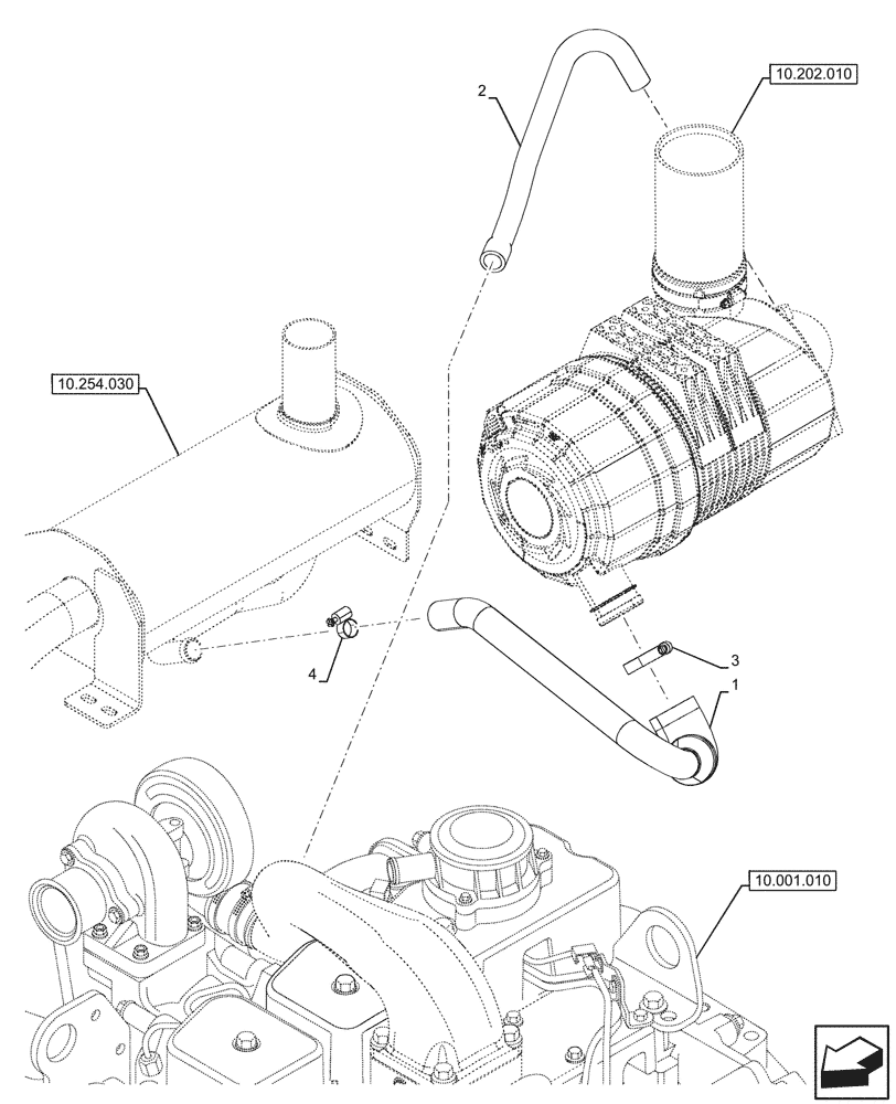
Запчасти Case 580N (10.254.050) - ENGINE, EXHAUST PIPE, MUFFLER, MECHANICAL (10) - ENGINE

Схема запчастей Case 580N - (10.254.050) - ENGINE, EXHAUST PIPE, MUFFLER, MECHANICAL (10) - ENGINE
10.254.030
2
3
4
1
10.202.010
10.001.010
FIT
1:1
100%

Артикул

Название

Примечание

Количество

1

47391716

HOSE,25mm ID, 50mm ID, 279mm L x 193mm L

Intake Air, Aspiration

1шт.

2

87611852

HOSE,17.00 mm ID, 22.00 mm ID x 1270.00 mm, SAE J30R6

Aspirated Mechanical Engine

1шт.

3

214-1436

HOSE CLAMP,#36, 1.81" - 2.75", Type F Worm

1шт.

4

214-1416

HOSE CLAMP,#16, 0.81" - 1.5", Type F Worm

1шт.

Выбрано товаров: 4