Запчасти Case 580N EP (55.100.240) - CAB, POWERSHUTTLE, TRANSMISSION, RIGHT SIDE, CONSOLE, HARNESS, FUSE BOX, RELAY (55) - ELECTRICAL SYSTEMS

Схема запчастей Case 580N EP - (55.100.240) - CAB, POWERSHUTTLE, TRANSMISSION, RIGHT SIDE, CONSOLE, HARNESS, FUSE BOX, RELAY (55) - ELECTRICAL SYSTEMS
90.150.070
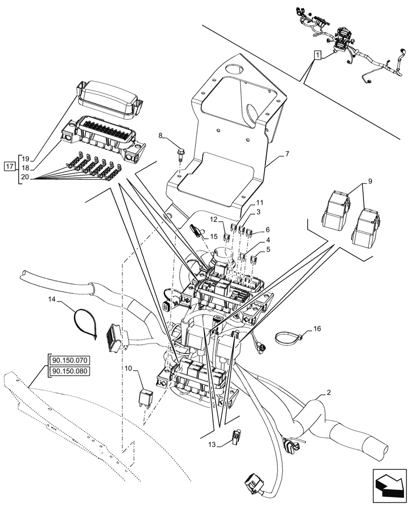
2
9
16
5
18
4
20
17
10
11
3
13
7
19
6
15
14
12
8
1
90.150.080
FIT
1:1
100%

Артикул

Название

Примечание

Количество

1

47714206

WIRE HARNESS

ASSY, Side Console, Cab, STD Transmission, Incl 2 - 20

1шт.

See also Wire Harness Components in Figures 55.510.210, 90.108.038

1шт.

2

NSS

NOT SOLD SEPARAT

Harness, Incl in 1

1шт.

3

121411A1

FUSE,7.5A, Mini, Brown

2шт.

4

121412A1

FUSE,10A, Mini, Red

6шт.

5

121413A1

FUSE,15A, Mini, Blue

1шт.

6

121416A1

FUSE,30A, Mini, Green

5шт.

7

84292270

BRACKET

Side Console

1шт.

8

845-6020

BOLT,Hvy Hex, M6 x 20mm, Cl 8.8

6шт.

9

84271717

RELAY,12V, 50A

Sealed

2шт.

10

87655334

RELAY,12V, 35A, Micro

11шт.

11

121410A1

FUSE,5A, Mini, Tan

11шт.

12

121414A1

FUSE,20A, Mini, Yellow

2шт.

13

84386626

WIRE CONNECTOR

Bracket Clip

2шт.

14

84292402

CABLE TIE,203mm L

4шт.

15

87707841

CLIP,Hole DIA 6.35mm

1шт.

16

87000312

CABLE TIE,4.8mm W x 203.2mm OAL, Nylon

4шт.

17

84380518

FUSE BOX

ASSY, Incl 18 - 20

3шт.

18

NSS

NOT SOLD SEPARAT

Support, Incl in 17

3шт.

19

84404932

COVER

3шт.

20

84342278

CONNECTING BLOCK

18шт.

Выбрано товаров: 21