Качественные детали и логистика
Оригинальные и аналоговые запчасти с доставкой по России, Казахстану и Беларуси
©2022 PartSell ООО "Система" ИНН 2463123282 ОГРН 1212400004838
Центральный офис: г. Красноярск, Академика Киренского, д.87, пом.4
Телефон: 8 (800) 777-65-74 Email: zakaz@partsell.ru
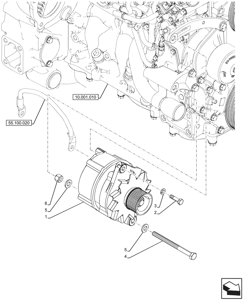
(55.301.010) - ALTERNATOR, 120A
№
Артикул
Название
Примечание
Количество
1
84416587
ALTERNATOR,12V, 120A, W/ Pulley
On Engine
1шт.
2
43128
BOLT,M8 x 1.25 x 30mm, Cl 8.8
3
892-11008
LOCK WASHER,8mm ID
4
827-10130
BOLT,Hex, M10 x 1.5 x 130mm, Cl 10.9
5
896-11010
WASHER,11mm ID x 21mm OD x 2.5mm Thk
2шт.
6
832-10410
NUT,M10 x 1.5, Cl 8
Выбрано товаров: 0