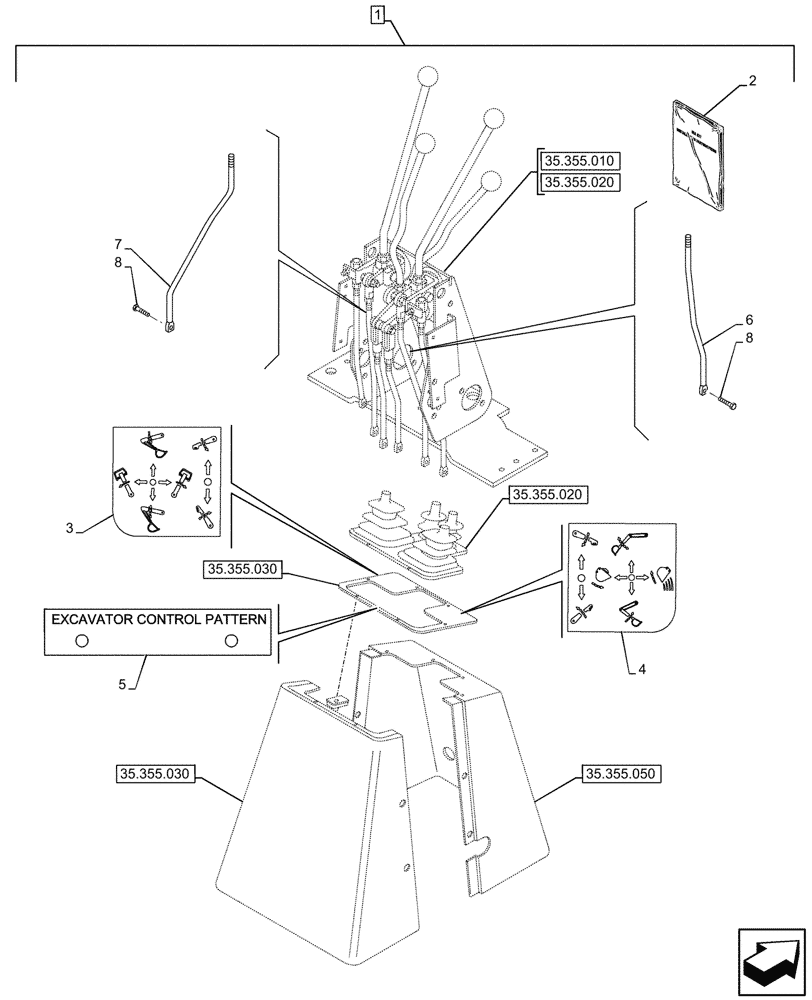
Запчасти Case 580N EP (88.100.35[28]) - DIA KIT, EXCAVATOR CONTROL PATTERN (88) - ACCESSORIES

Схема запчастей Case 580N EP - (88.100.35[28]) - DIA KIT, EXCAVATOR CONTROL PATTERN (88) - ACCESSORIES
35.355.020
8
2
3
5
1
7
4
8
6
35.355.030
35.355.030
35.355.050
35.355.010
35.355.020
FIT
1:1
100%

Артикул

Название

Примечание

Количество

1

84484664

CONSTRUCTION DIA

Excavator Control Pattern, Incl 2 - 8

1шт.

Refer to Installation Instructions P/N for Correct Assembly Procedure

1шт.

2

84484671

INSTRUCTION

1шт.

3

E49498

DECAL

BKHO 2 Lever, RH

1шт.

4

E49497

DECAL

BKHO 2 Lever, LH

1шт.

5

198410A1

LARGE PLATE

Excavator Control Pattern

1шт.

6

87422272

THREADED ROD

1шт.

7

87422270

THREADED ROD

1шт.

8

280250

COTTER PIN,3/32" OD x 3/4" L

2шт.

Выбрано товаров: 9