Запчасти Case 580N EP (90.108.037) - DECAL, POWERSHUTTLE, TRANSMISSION, RIGHT SIDE, FUSE, RELAY (90) - PLATFORM, CAB, BODYWORK AND DECALS

Схема запчастей Case 580N EP - (90.108.037) - DECAL, POWERSHUTTLE, TRANSMISSION, RIGHT SIDE, FUSE, RELAY (90) - PLATFORM, CAB, BODYWORK AND DECALS
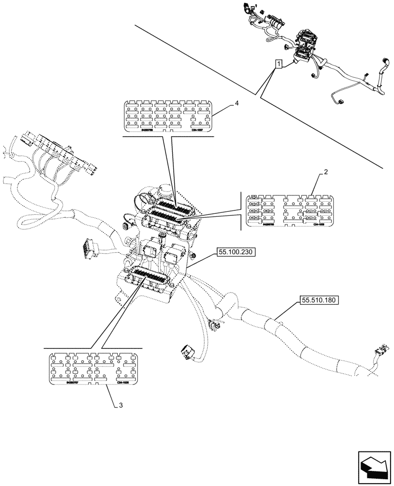
55.510.180
3
1
4
2
55.100.230
FIT
1:1
100%

Артикул

Название

Примечание

Количество

1

47714204

WIRE HARNESS

ASSY, Side Console, Standard Transmission, Incl 2 - 4

1шт.

See also Wire Harness Components in Figures 55.100.230, 55.510.190

1шт.

2

84290786

DECAL

Fuses, Relays and Diodes

1шт.

3

84290787

DECAL

Relays

1шт.

4

84290788

DECAL

Fuses

1шт.

Выбрано товаров: 5