Запчасти Case 580N EP (90.108.038) - DECAL, CAB, POWERSHUTTLE, TRANSMISSION, RIGHT SIDE, CONSOLE, FUSE, RELAY (90) - PLATFORM, CAB, BODYWORK AND DECALS

Схема запчастей Case 580N EP - (90.108.038) - DECAL, CAB, POWERSHUTTLE, TRANSMISSION, RIGHT SIDE, CONSOLE, FUSE, RELAY (90) - PLATFORM, CAB, BODYWORK AND DECALS
4
3
5
1
2
FIT
1:1
100%

Артикул

Название

Примечание

Количество

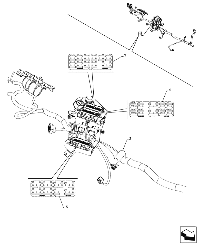
1

47714206

WIRE HARNESS

ASSY, Side Console, Cab, STD Transmission, Incl 2 - 5

1шт.

See also Wire Harness Components in Figures 55.100.240, 55.510.210

1шт.

2

NSS

NOT SOLD SEPARAT

Harness, Incl in 1

1шт.

3

84290788

DECAL

Fuses

1шт.

4

84290786

DECAL

Fuses, Relays and Diodes

1шт.

5

84290787

DECAL

Relays

1шт.

Выбрано товаров: 0