Качественные детали и логистика
Оригинальные и аналоговые запчасти с доставкой по России, Казахстану и Беларуси
©2022 PartSell ООО "Система" ИНН 2463123282 ОГРН 1212400004838
Центральный офис: г. Красноярск, Академика Киренского, д.87, пом.4
Телефон: 8 (800) 777-65-74 Email: zakaz@partsell.ru
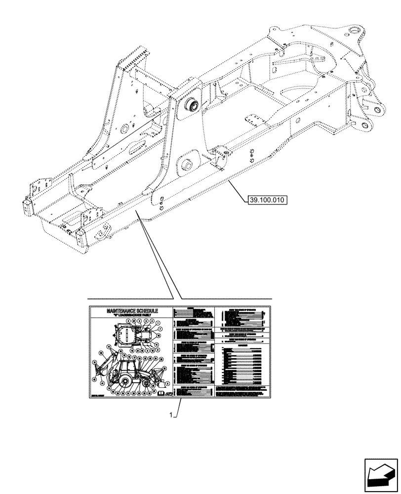
(90.108.200) - VAR - 747882, 747883 - WARNING DECAL, MAINTENANCE
№
Артикул
Название
Примечание
Количество
1
47577790
DECAL
580N EP Maintenance; French Canadian
1шт.
47577791
580N EP Maintenance; Spanish
Выбрано товаров: 0