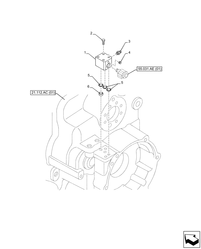
Запчасти Case 580N EP (33.110.AT[01]) - VAR - 423058, 423059, 423060, 423061 - TRANSMISSION, POWERSHUTTLE, PARKING BRAKE, CONTROL VALVE (33) - BRAKES & CONTROLS

Схема запчастей Case 580N EP - (33.110.AT[01]) - VAR - 423058, 423059, 423060, 423061 - TRANSMISSION, POWERSHUTTLE, PARKING BRAKE, CONTROL VALVE (33) - BRAKES & CONTROLS
1
5
2
21.112.ac (01)
6
4
5
3
55.031.ae (01)
FIT
1:1
100%

Артикул

Название

Примечание

Количество

1

87701330

CONTROL BLOCK

Hydraulic Transmission

1шт.

2

16044321

BOLT,M8 x 1.25 x 55mm, Cl 8.8

2шт.

3

139312A1

PLUG,Expansion, 6mm OD

Expansion, 6mm

1шт.

4

933781R1

LUBE NIPPLE,M10 x 1

1шт.

5

272217

O-RING,0.07" Thk x 0.426" ID, -13, Cl 6, 90 Duro

4шт.

6

87701333

ORIFICE

1шт.

Выбрано товаров: 6