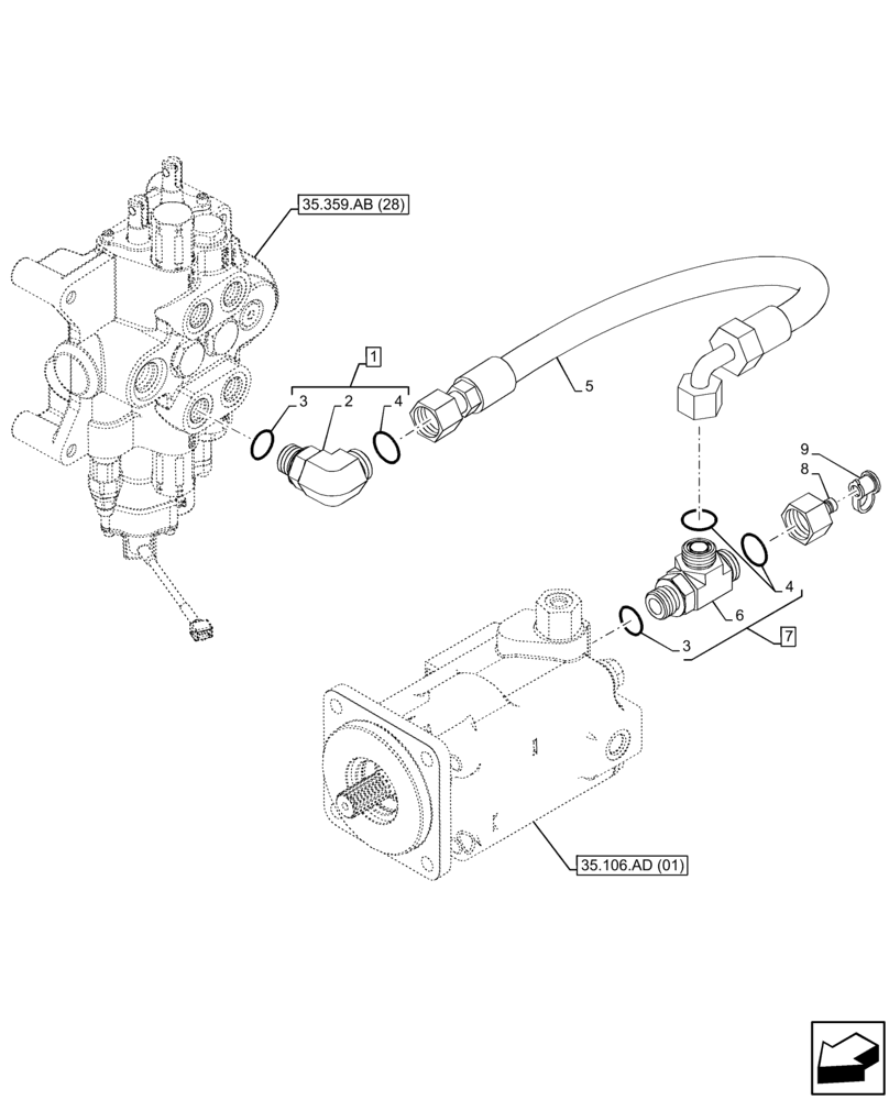
Запчасти Case 580N EP (35.106.AO[04]) - LOADER, CONTROL VALVE LINE, HYDRAULIC PUMP (35) - HYDRAULIC SYSTEMS

Схема запчастей Case 580N EP - (35.106.AO[04]) - LOADER, CONTROL VALVE LINE, HYDRAULIC PUMP (35) - HYDRAULIC SYSTEMS
35.359.ab (28)
1
2
3
7
9
35.106.ad (01)
4
3
5
6
4
8
FIT
1:1
100%

Артикул

Название

Примечание

Количество

1

9846848

90 ELBOW,1-3/16"-12 ORFS x 1-1/16"-12 ORB

ASSY, Incl 2, 3 (Qty 1), 4 (Qty 1)

1шт.

2

NSS

NOT SOLD SEPARAT

90° Elbow, Incl in 1

1шт.

3

167266

O-RING,0.116" Thk x 0.924" ID, -912, Cl 6, 90 Duro

2шт.

4

9991976

O-RING,0.07" Thk x 0.739" ID, -18, Cl 6, 90 Duro

3шт.

5

84335369

HOSE ASSY.,16mm ID x 635mm L

635mm L, from Pump to Valve

1шт.

6

NSS

NOT SOLD SEPARAT

Tee, Incl in 7

1шт.

7

84238739

FITTING,1-3/16-12 ORFS x 1-1/16-12 ORB

ASSY, Incl 3 (Qty 1), 4 (Qty 2), 6

1шт.

8

84241474

DIAGNOSTIC COUPLER

1шт.

9

H434163

DUST CAP

1шт.

Выбрано товаров: 9