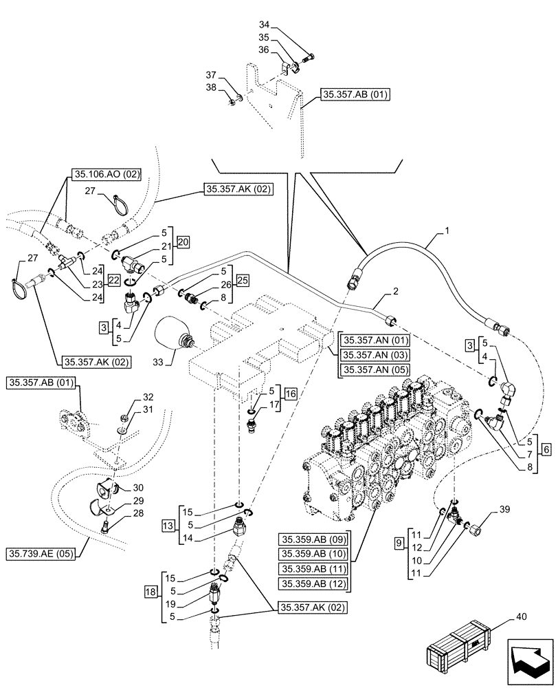
Запчасти Case 580N EP (35.357.AO[01]) - VAR - 747669 - BACKHOE ARM, PILOT CONTROLS, LINES (35) - HYDRAULIC SYSTEMS

Схема запчастей Case 580N EP - (35.357.AO[01]) - VAR - 747669 - BACKHOE ARM, PILOT CONTROLS, LINES (35) - HYDRAULIC SYSTEMS
35.357.an (05)
11
4
37
14
5
12
31
8
3
28
19
5
5
33
5
38
18
32
20
5
39
25
5
5
10
5
8
11
24
17
5
6
7
35
21
30
13
22
27
4
23
34
40
15
3
16
27
36
9
15
1
29
26
24
2
5
35.357.ak (02)
35.357.ak (02)
35.357.ak (02)
35.739.ae (05)
35.359.ab (12)
35.359.ab (10)
35.357.ab (01)
35.357.ab (01)
35.357.an (01)
35.359.ab (11)
35.359.ab (09)
35.357.an (03)
35.106.ao (02)
FIT
1:1
100%

Артикул

Название

Примечание

Количество

1

84405440

HYDRAULIC HOSE,6.3mm ID x 742mm L

Reducing Valve Pressure to B

1шт.

2

84252987

HYD TUBE,547mm L

Reducing Level Tank to Backhoe Valve, 547mm L

1шт.

3

84989392

ELBOW,90 Degree, 11/16"-16 ORFS x 11/16"-16 Fem Sw

ASSY, Incl 4 (Qty 1), 5 (Qty 1)

2шт.

4

NSS

NOT SOLD SEPARAT

90° Elbow, Incl in 3

2шт.

5

9993141

O-RING,0.07" Thk x 0.364" ID, -12, Cl 6, 90 Duro

9шт.

6

84253173

90 ELBOW,11/16"-16 ORFS x 3/8" ORB

ASSY, Incl 5 (Qty 1), 7, 8 (Qty 1)

1шт.

7

NSS

NOT SOLD SEPARAT

90° Elbow, Incl in 6

1шт.

8

9825770

O-RING,0.07" Thk x 0.301" ID, -11, Cl 6, 90 Duro

2шт.

9

201-401

TEE,11/16"-16 x 9/16"-18 Br, ORFS

ASSY, Incl 10, 11 (Qty 2), 12

1шт.

10

NSS

NOT SOLD SEPARAT

Tee, Incl in 9

1шт.

11

238-6012

O-RING,0.07" Thk x 0.364" ID, -12, Cl 6, 90 Duro

2шт.

12

238-6011

O-RING,0.07" Thk x 0.301" ID, -11, Cl 6, 90 Duro

1шт.

13

9840543

90 ELBOW,90 Degree, 11/16"-16 x 9/16"-18 Adj, ORFS

ASSY, Incl 5 (Qty 1), 14, 15 (Qty 1)

1шт.

14

NSS

NOT SOLD SEPARAT

90° Elbow, Incl in 13

1шт.

15

9617873

O-RING,0.078" Thk x 0.468" ID, -906, Cl 6, 90 Duro

3шт.

16

86596853

QUICK MALE COUPLING,9/16"-18

ASSY, Incl 5 (Qty 1), 17

1шт.

17

NSS

NOT SOLD SEPARAT

Male Coupling, Incl in 16

1шт.

18

218-5243

TEE,9/16" - 18 Male JIC x 9/16" - 18 Male JIC x 9/16" - 18 Male ORB

ASSY, Incl 5 (Qty 2), 15 (Qty 1), 19

1шт.

19

NSS

NOT SOLD SEPARAT

Tee, Incl in 18

1шт.

20

84989848

TEE,11/16" - 16 ORFS x 11/16" - 16 ORFS x 11/16" - 16 JIC

ASSY, Incl 5 (Qty 1), 21

1шт.

21

NSS

NOT SOLD SEPARAT

Tee, Incl in 20

1шт.

22

218-593

TEE,9/16"-18, 37 Degree

ASSY, Incl 23, 24

1шт.

23

NSS

NOT SOLD SEPARAT

Tee, Incl in 22

1шт.

24

237-6006

O-RING,0.078" Thk x 0.468" ID, -906, Cl 6, 90 Duro

2шт.

25

9993143

HYD CONNECTOR,11/16" - 16 ORFS x 9/16" - 18 ORB

ASSY, Incl 5 (Qty 1), 8 (Qty 1), 26

1шт.

26

NSS

NOT SOLD SEPARAT

Connector, Incl in 25

1шт.

27

L11541

CABLE TIE,203.2mm L, Nylon

2шт.

28

614-10025

BOLT,Hex, M10 x 1.5 x 25mm, Cl 8.8

1шт.

29

D143411

CLAMP,28.96mm ID, 10.31mm Bolt Hole, J Type

1шт.

30

D74182

GROMMET,3/4" ID x 1.46" L

1шт.

31

87655046

SPECIAL WASHER,10.65mm ID x 23mm OD x 2.2mm Thk

1шт.

32

829-1410

NUT,M10 x 1.5, Cl 10.9

1шт.

33

87425225

ACCUMULATOR,0.16L

1шт.

34

43127

BOLT,Hex, M8 x 1.25 x 25mm, Cl 8.8

1шт.

35

515-22127

CLAMP,1/2", Insul, 5/16" Bolt

1шт.

36

515-2295

CLAMP,3/8", Insul, 5/16" Bolt

1шт.

37

87655042

SPECIAL WASHER,8.8mm ID x 17.5mm OD x 2.2mm Thk

1шт.

38

829-1408

NUT,Hex, M8 x 1.25, Cl 10.9

1шт.

39

87331950

CAP ASSY.,Hex, 11/16"-16

1шт.

40

47661785

CONSTRUCTION DIA

3 Spool, Mechanical Control, Powershift Transmission, Incl 33

1шт.

Valid for 580N Model Only

1шт.

To See Full DIA KIT Composition Look for all the Figures Where the DIA KIT P/N Is Shown

1шт.

40

47661814

CONSTRUCTION DIA

3 Spool, Pilot Control, Powershift Transmission, Incl 33

1шт.

Valid for 580N Model Only

1шт.

To See Full DIA KIT Composition Look for all the Figures Where the DIA KIT P/N Is Shown

1шт.

Выбрано товаров: 0