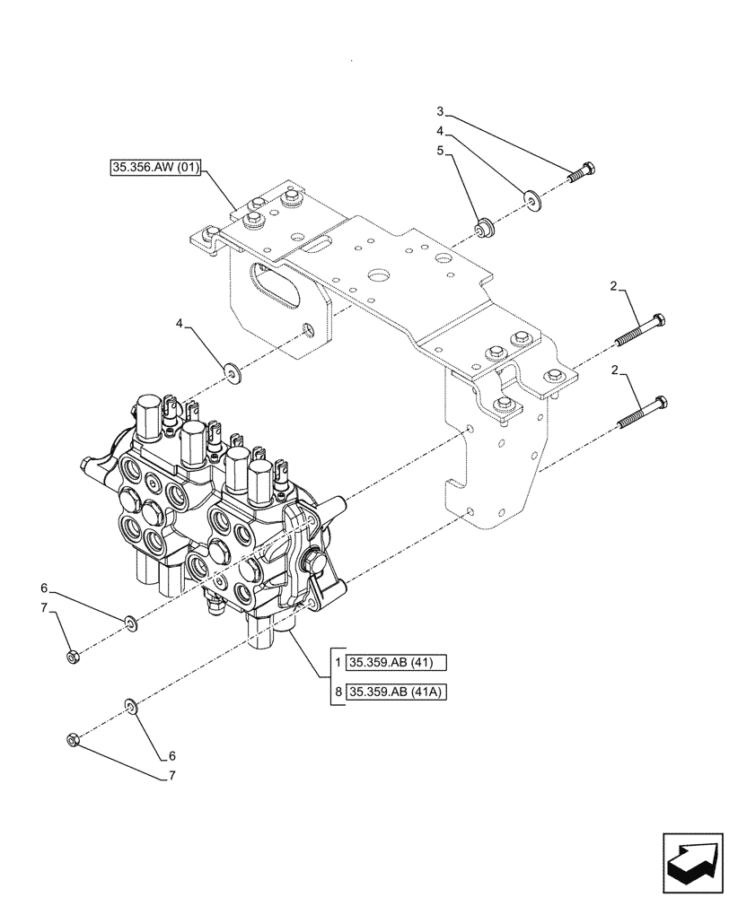
Запчасти Case 580N EP (35.359.AB[02]) - BACKHOE CONTROL VALVE, 6-SPOOL, MOUNTING PARTS, STANDARD DIPPER, W/ TWO LEVER CONTROLS (35) - HYDRAULIC SYSTEMS

Схема запчастей Case 580N EP - (35.359.AB[02]) - BACKHOE CONTROL VALVE, 6-SPOOL, MOUNTING PARTS, STANDARD DIPPER, W/ TWO LEVER CONTROLS (35) - HYDRAULIC SYSTEMS
35.356.aw (01)
2
5
4
6
8
1
2
7
3
6
7
4
35.359.ab (41a)
35.359.ab (41)
FIT
1:1
100%

Артикул

Название

Примечание

Количество

1

84273237

VALVE

ASSY, Years: -10-JUL-15

1шт.

Backhoe Control Valve, 6-Spool, with STD Dipper and 2 Lever Controls

1шт.

2

814-10080

BOLT,Hex, M10 x 1.5 x 80mm, Cl 8.8

2шт.

3

614-10035

BOLT,Hex, M10 x 1.5 x 35mm, Cl 8.8, Full Thd

1шт.

4

87687101

WASHER,10.65mm ID x 31mm OD x 3.3mm Thk

2шт.

5

D52276

ISOLATOR,10.16mm ID x 28.07mm OD x mm L

1шт.

6

87655046

SPECIAL WASHER,10.65mm ID x 23mm OD x 2.2mm Thk

2шт.

7

829-1410

NUT,M10 x 1.5, Cl 10.9

2шт.

8

47578529

VALVE

ASSY, Start Year: 11-JUL-15

1шт.

Backhoe Control Valve, 6-Spool, with STD Dipper and 2 Lever Controls

1шт.

8

47578529R

REMAN-HYD VALVE

Reman Valve ASSY

1шт.

8

47578529C

CORE-VALVE HYD

Return Number

1шт.

Выбрано товаров: 12