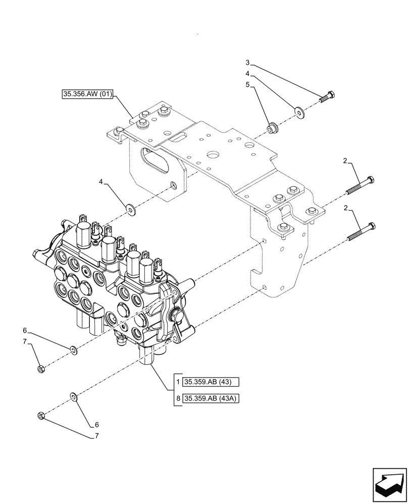
Запчасти Case 580N EP (35.359.AB[04]) - BACKHOE CONTROL VALVE, 7-SPOOL, MOUNTING PARTS, EXTENDABLE DIPPER, W/ FOOT SWING CONTROLS (35) - HYDRAULIC SYSTEMS

Схема запчастей Case 580N EP - (35.359.AB[04]) - BACKHOE CONTROL VALVE, 7-SPOOL, MOUNTING PARTS, EXTENDABLE DIPPER, W/ FOOT SWING CONTROLS (35) - HYDRAULIC SYSTEMS
35.356.aw (01)
6
3
1
4
4
6
7
2
2
8
5
7
35.359.ab (43a)
35.359.ab (43)
FIT
1:1
100%

Артикул

Название

Примечание

Количество

1

84273238

VALVE

ASSY, Years: -10-JUL-15

1шт.

Backhoe Control Valve, 7-Spool, with Extendable Dipper and Foot Swing Controls

1шт.

2

814-10080

BOLT,Hex, M10 x 1.5 x 80mm, Cl 8.8

2шт.

3

614-10035

BOLT,Hex, M10 x 1.5 x 35mm, Cl 8.8, Full Thd

1шт.

4

87687101

WASHER,10.65mm ID x 31mm OD x 3.3mm Thk

2шт.

5

D52276

ISOLATOR,10.16mm ID x 28.07mm OD x mm L

1шт.

6

87655046

SPECIAL WASHER,10.65mm ID x 23mm OD x 2.2mm Thk

2шт.

7

829-1410

NUT,M10 x 1.5, Cl 10.9

2шт.

8

47578534

VALVE

ASSY, Start Year: 11-JUL-15

1шт.

Backhoe Control Valve, 7-Spool, with Extendable Dipper and Foot Swing Controls

1шт.

Выбрано товаров: 10