Запчасти Case 580N EP (35.359.AB[29]) - LOADER, CONTROL VALVE, MECHANICAL, 2-SPOOL, MOUNTING (35) - HYDRAULIC SYSTEMS

Схема запчастей Case 580N EP - (35.359.AB[29]) - LOADER, CONTROL VALVE, MECHANICAL, 2-SPOOL, MOUNTING (35) - HYDRAULIC SYSTEMS
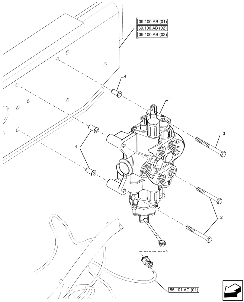
1
4
2
4
55.101.ac (01)
39.100.ab (03)
39.100.ab (01)
3
39.100.ab (02)
FIT
1:1
100%

Артикул

Название

Примечание

Количество

1

47502266

VALVE

Loader 2 Spool 580 N 55KW, ASSY

1шт.

2

814-10090

BOLT,Hex, M10 x 1.5 x 90mm, Cl 8.8

2шт.

3

814-10110

BOLT,Hex, M10 x 1.5 x 110mm, Cl 8.8

1шт.

4

87417721

THREADED INSERT,M10 x 1.5-6H x 29 L

3шт.

Выбрано товаров: 4