Запчасти Case 580N EP (35.525.AA[16]) - VAR - 747662, 423084 - AUXILIARY HYDRAULIC, LINES (35) - HYDRAULIC SYSTEMS

Схема запчастей Case 580N EP - (35.525.AA[16]) - VAR - 747662, 423084 - AUXILIARY HYDRAULIC, LINES (35) - HYDRAULIC SYSTEMS
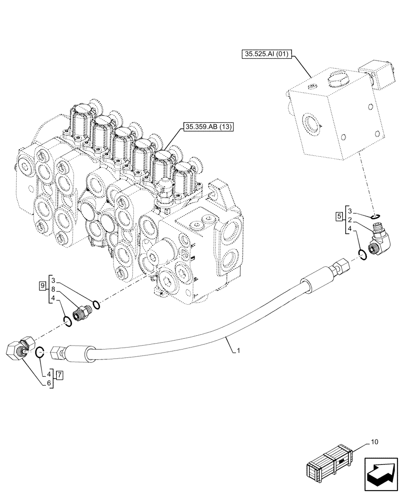
35.359.ab (13)
3
4
5
7
9
3
10
1
4
6
4
2
8
35.525.ai (01)
FIT
1:1
100%

Артикул

Название

Примечание

Количество

1

84419702

HOSE ASSY.,10mm ID x 774mm L

10mm ID, 774mm, Backhoe to Uni Ls

1шт.

2

NSS

NOT SOLD SEPARAT

90° Elbow, Incl in 5

1шт.

3

9617873

O-RING,0.078" Thk x 0.468" ID, -906, Cl 6, 90 Duro

2шт.

4

9993141

O-RING,0.07" Thk x 0.364" ID, -12, Cl 6, 90 Duro

3шт.

5

9840543

90 ELBOW,90 Degree, 11/16"-16 x 9/16"-18 Adj, ORFS

ASSY, Incl 2, 3 (Qty 1), 4 (Qty 1)

1шт.

6

NSS

NOT SOLD SEPARAT

90° Elbow, Incl in 7

1шт.

7

84989392

ELBOW,90 Degree, 11/16"-16 ORFS x 11/16"-16 Fem Sw

ASSY, Incl 4, 6

1шт.

8

NSS

NOT SOLD SEPARAT

Connector, Incl in 9

1шт.

9

9993143

HYD CONNECTOR,11/16" - 16 ORFS x 9/16" - 18 ORB

ASSY, Incl 3 (Qty 1), 4 (Qty 1), 8

1шт.

10

47501545

CONSTRUCTION DIA

No Auxiliary to Combo, Pilot Control, Standard Dipper, Incl 1 - 9

1шт.

To See Full DIA KIT Composition Look for all the Figures Where the DIA KIT P/N Is Shown

1шт.

10

47501547

CONSTRUCTION DIA

No Auxiliary to Combo, Pilot Control, Extendable Dipper, Incl 1 - 9

1шт.

To See Full DIA KIT Composition Look for all the Figures Where the DIA KIT P/N Is Shown

1шт.

Выбрано товаров: 13