Запчасти Case 580N EP (35.723.AB[05]) - VAR - 747776, 747864 - LOADER BUCKET CYLINDER LINES (35) - HYDRAULIC SYSTEMS

Схема запчастей Case 580N EP - (35.723.AB[05]) - VAR - 747776, 747864 - LOADER BUCKET CYLINDER LINES (35) - HYDRAULIC SYSTEMS
6
7
5
1
8
8
2
5
7
39.100.ab (01)
35.359.ae (06)
4
6
35.359.ab (26)
35.723.ab (03)
4
3
3
FIT
1:1
100%

Артикул

Название

Примечание

Количество

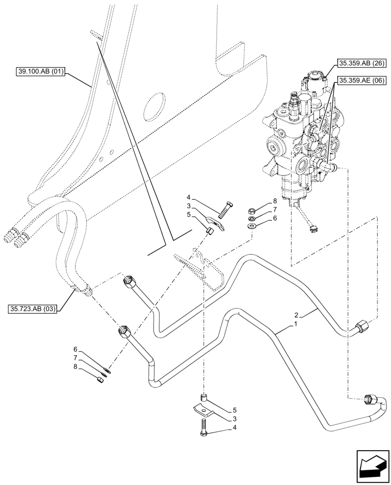
1

47609535

HYD TUBE

Tilt Port B

1шт.

2

47609540

HYD TUBE

Tilt Port A

1шт.

3

D138055

CLAMP

2шт.

4

325829

BOLT,Hex, M10 x 1.5 x 45mm, Cl 8.8

2шт.

5

120303A1

SPACER,11mm ID x 15.82mm OD x 15mm Thk

2шт.

6

87655046

SPECIAL WASHER,10.65mm ID x 23mm OD x 2.2mm Thk

2шт.

7

140028

WASHER,10.2mm ID x 18.1mm OD x 2.2mm Thk

2шт.

8

86500689

NUT,M10 x 1.5, Cl 10

2шт.

Выбрано товаров: 8