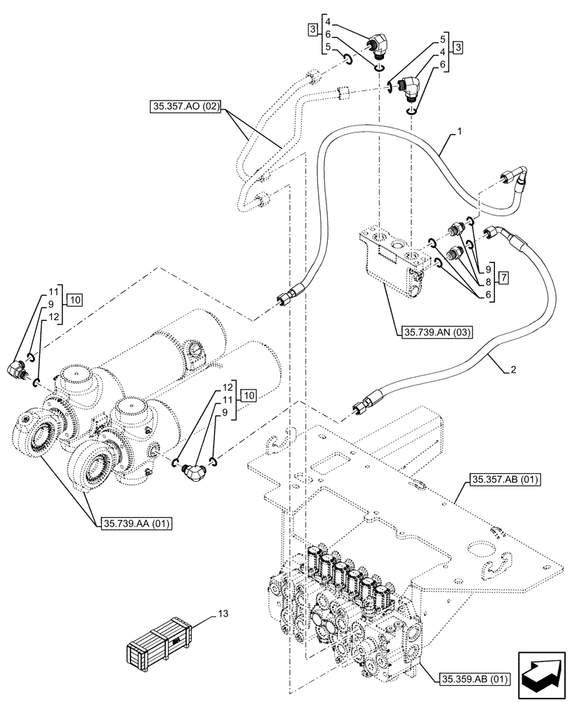
Запчасти Case 580N EP (35.739.AE[03]) - VAR - 745165, 747669 - BOOM SWING, PILOT CONTROLS, DAMPING VALVE, LINE (35) - HYDRAULIC SYSTEMS

Схема запчастей Case 580N EP - (35.739.AE[03]) - VAR - 745165, 747669 - BOOM SWING, PILOT CONTROLS, DAMPING VALVE, LINE (35) - HYDRAULIC SYSTEMS
9
35.739.aa (01)
35.357.ab (01)
3
4
13
4
10
12
8
7
6
35.739.an (03)
12
35.359.ab (01)
3
11
11
10
9
35.357.ao (02)
6
2
10
5
5
1
9
6
FIT
1:1
100%

Артикул

Название

Примечание

Количество

1

84399174

HOSE ASSY.,10mm ID x 1285mm L

Swing Cylinder to Dampening Valve LH

1шт.

2

84328810

HOSE ASSY.,12.5mm ID x 899mm L

Swing Cylinder to Dampening Valve RH

1шт.

3

87675522

90 ELBOW,90 Degree 1"-14 x 7/8"-14 Adj ORFS

90° 1"-14 x 7/8"-14 Adj ORFS, ASSY, Incl 4 (Qty 1), 5 (Qty 1), 6 (Qty 1)

2шт.

4

NSS

NOT SOLD SEPARAT

90° Elbow, Incl in 3

2шт.

5

9992069

O-RING,0.07" Thk x 0.614" ID, -16, Cl 6, 90 Duro

2шт.

6

167269

O-RING,0.097" Thk x 0.755" ID, -910, Cl 6, 90 Duro

4шт.

7

87610720

HYD CONNECTOR,7/8" - 14 ORB x 13/16" - 16 ORFS

ASSY, Incl 6 (Qty 1), 8 (Qty 1), 9 (Qty 1)

2шт.

8

NSS

NOT SOLD SEPARAT

Connector, Incl in 7

2шт.

9

9992298

O-RING,0.07" Thk x 0.489" ID, -14, Cl 6, 90 Duro

2шт.

10

9992307

90 ELBOW,90 Degree, 13/16"-16 x 3/4"-16 Adj, ORFS

ASSY, Incl 9 (Qty 1), 11 (Qty 1), 12 (Qty 1)

2шт.

11

NSS

NOT SOLD SEPARAT

90° Elbow, Incl in 10

2шт.

12

128825

O-RING,0.087" Thk x 0.644" ID, -908, Cl 6, 90 Duro

2шт.

13

47677939

CONSTRUCTION DIA

Swing Dampening, Pilot Control, Incl 1 - 4, 7, 9, 12

1шт.

Valid for 580N EP Model Only

1шт.

To See Full DIA KIT Composition Look for all the Figures Where the DIA KIT P/N Is Shown

1шт.

13

47593980

CONSTRUCTION DIA

Dipper Oscillation, Incl 1, 2

1шт.

To See Full DIA KIT Composition Look for all the Figures Where the DIA KIT P/N Is Shown

1шт.

Выбрано товаров: 17