Запчасти Case 580N EP (35.739.AN[03]) - VAR - 423078, 745165, 747669 - BOOM SWING, PILOT CONTROLS, DAMPING VALVE (35) - HYDRAULIC SYSTEMS

Схема запчастей Case 580N EP - (35.739.AN[03]) - VAR - 423078, 745165, 747669 - BOOM SWING, PILOT CONTROLS, DAMPING VALVE (35) - HYDRAULIC SYSTEMS
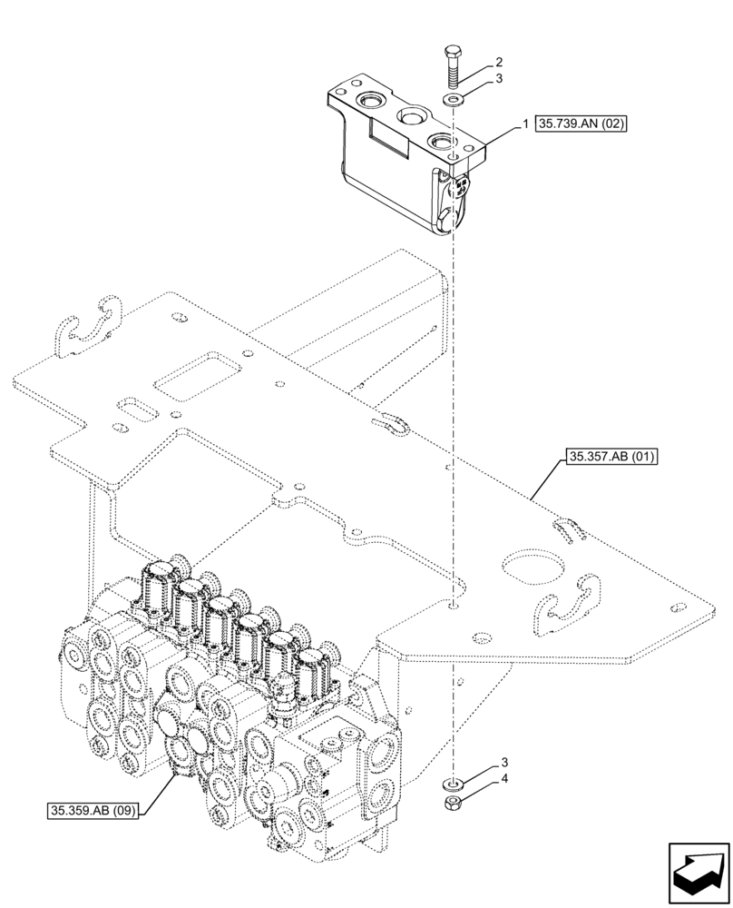
1
2
4
35.357.ab (01)
3
35.739.an (02)
3
35.359.ab (09)
FIT
1:1
100%

Артикул

Название

Примечание

Количество

1

87480653

DAMPING VALVE

ASSY

1шт.

2

814-10045

BOLT,Hex, M10 x 1.5 x 45mm, Cl 8.8

2шт.

3

87655046

SPECIAL WASHER,10.65mm ID x 23mm OD x 2.2mm Thk

4шт.

4

829-1410

NUT,M10 x 1.5, Cl 10.9

2шт.

Выбрано товаров: 4