Запчасти Case 580N EP (39.129.AH) - STABILIZER (39) - FRAMES AND BALLASTING

Схема запчастей Case 580N EP - (39.129.AH) - STABILIZER (39) - FRAMES AND BALLASTING
4
2
1
3
39.100.ab (02)
4
8
3
3
3
5
4
39.100.ab (02)
39.100.ab (02)
2
39.100.ab (02)
1
7
4
39.100.ab (01)
7
5
8
39.100.ab (01)
6
39.100.ab (02)
5
5
6
FIT
1:1
100%

Артикул

Название

Примечание

Количество

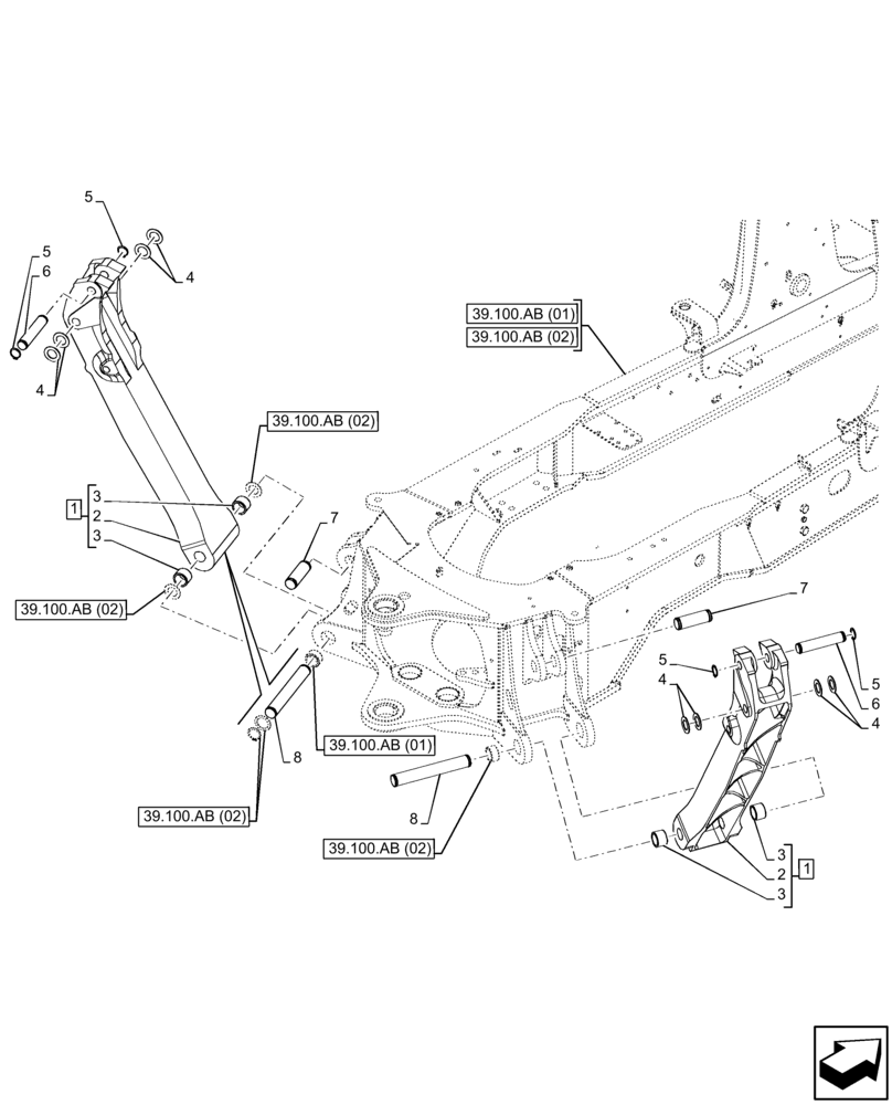
1

446222A1

STABILIZER

ASSY, Incl 2 (Qty 1), 3 (Qty 2)

2шт.

2

NSS

NOT SOLD SEPARAT

Stabilizer, Incl in 1

2шт.

3

D50146

BUSHING,44.68mm ID x 57.15mm OD x 38.1mm L

4шт.

4

D143406

WASHER,38.23mm ID x 63.88mm OD x 2.9mm Thk

8шт.

5

D25279

SNAP RING,M35, Int

4шт.

6

D26002

PIN,38.1mm OD x 187.32mm L

2шт.

7

D38907

PIN,1.75" OD x 5 5/16 L

2шт.

8

121665A1

PIN,44.4mm OD x 308mm L

2шт.

Выбрано товаров: 8