Качественные детали и логистика
Оригинальные и аналоговые запчасти с доставкой по России, Казахстану и Беларуси
©2022 PartSell ООО "Система" ИНН 2463123282 ОГРН 1212400004838
Центральный офис: г. Красноярск, Академика Киренского, д.87, пом.4
Телефон: 8 (800) 777-65-74 Email: zakaz@partsell.ru
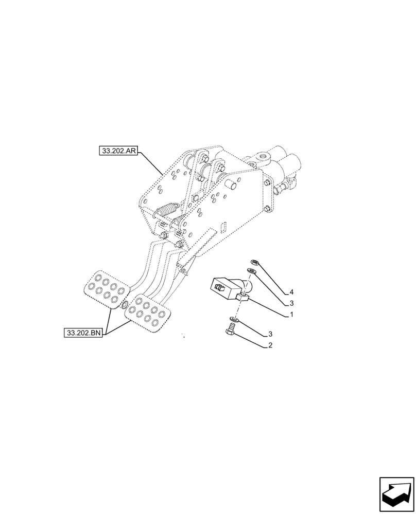
(55.405.CW) - BRAKE, LIGHT SWITCH
№
Артикул
Название
Примечание
Количество
1
82026949
PUSH BUTTON SWITCH
Brake Lights
2шт.
2
87016468
HEX SOC SCREW,M4 x 25mm, Cl 8.8
4шт.
3
895-11004
WASHER,4.3mm ID x 9mm OD x 0.8mm Thk
8шт.
4
832-10404
NUT,M4 x 0.7, Cl 8.8
Выбрано товаров: 0