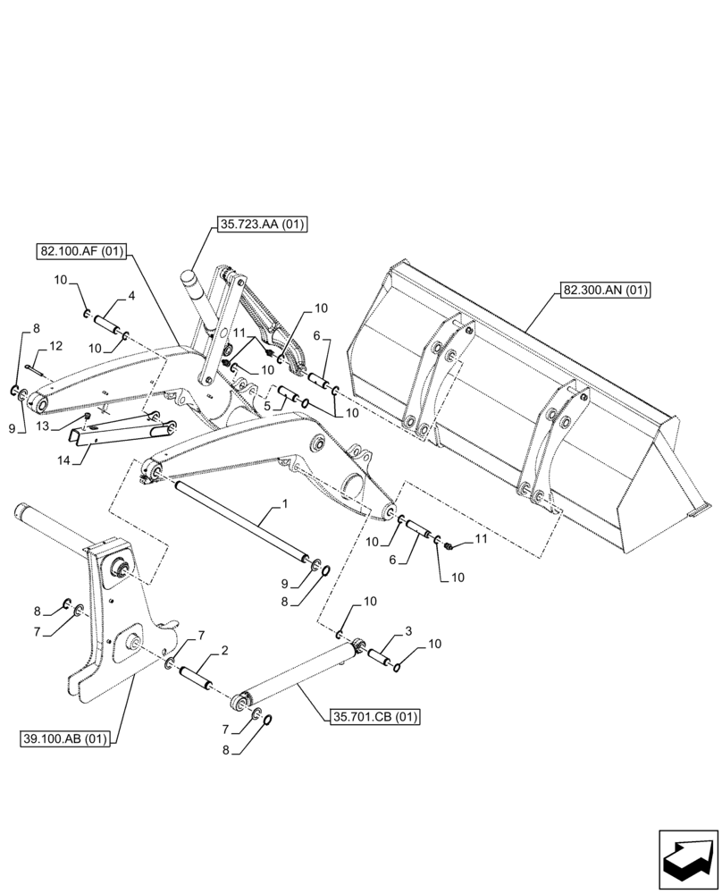
Запчасти Case 580N EP (82.100.BG) - ARM, PIVOT, PIN (82) - FRONT LOADER & BUCKET

Схема запчастей Case 580N EP - (82.100.BG) - ARM, PIVOT, PIN (82) - FRONT LOADER & BUCKET
10
82.300.an (01)
7
39.100.ab (01)
11
7
10
35.701.cb (01)
7
9
8
5
1
35.723.aa (01)
10
2
10
10
9
10
3
12
8
10
13
6
6
14
82.100.af (01)
11
8
8
4
10
10
FIT
1:1
100%

Артикул

Название

Примечание

Количество

1

D145767

SHAFT,1113.4mm L

1шт.

2

335177A1

PIN,50mm OD x 234mm L

2шт.

3

87623771

GROOVED PIN,40mm OD x 150mm L

1шт.

4

118900A1

PIN,40mm OD x 179mm L

1шт.

5

87724438

GROOVED PIN,40mm OD x 138.3mm L

2шт.

6

84367828

PIN,40mm OD x 180mm L

4шт.

7

495-81282

WASHER,2 1/16" x 3" x .109"

6шт.

8

800-44050

SNAP RING,M50, Ext

6шт.

9

181842A1

WASHER,50.4mm ID x 76mm OD x 3.6mm Thk

2шт.

10

800-44040

SNAP RING,M40, Ext

16шт.

11

219-1

LUBE NIPPLE,1/8" - 27 NPTF

6шт.

12

104824A1

PIN,12.7mm OD

1шт.

13

344892A1

GROMMET,25.4mm OD, 12.7mm ID, 26mm L

1шт.

14

341564A2

STRUT

1шт.

Выбрано товаров: 14