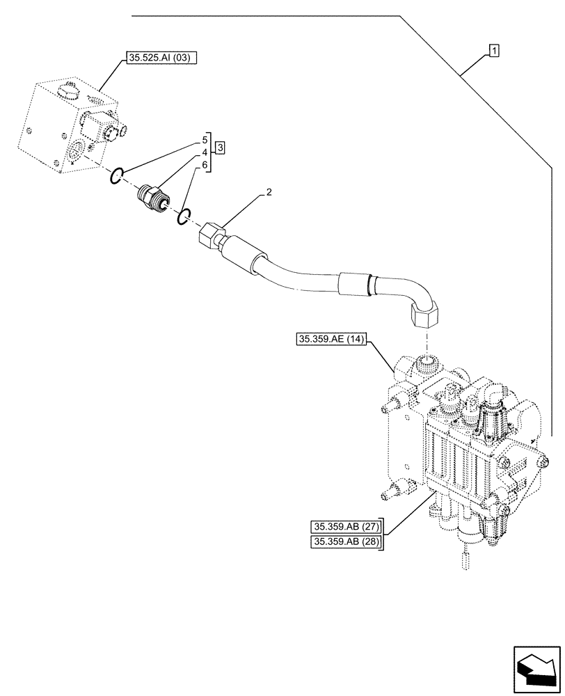
Запчасти Case 580N EP (88.100.35[13]) - DIA KIT, NO AUX TO COMBO, STD, PC (88) - ACCESSORIES

Схема запчастей Case 580N EP - (88.100.35[13]) - DIA KIT, NO AUX TO COMBO, STD, PC (88) - ACCESSORIES
35.359.ab (27)
2
1
6
3
4
5
35.525.ai (03)
35.359.ab (28)
35.359.ae (14)
FIT
1:1
100%

Артикул

Название

Примечание

Количество

1

47501545

CONSTRUCTION DIA

No Aux to Combo, STD, PC, Incl 2 - 6

1шт.

2

84275042

HOSE ASSY.,19mm ID x 411mm L

1шт.

3

9840535

HYD CONNECTOR,1-3/16" - 12 ORFS x 1-1/16" - 12 ORB

1шт.

4

NSS

NOT SOLD SEPARAT

Connector, Incl in 3

1шт.

5

167266

O-RING,0.116" Thk x 0.924" ID, -912, Cl 6, 90 Duro

1шт.

6

9991976

O-RING,0.07" Thk x 0.739" ID, -18, Cl 6, 90 Duro

2шт.

Выбрано товаров: 6