Запчасти Case 580SD (206) - TRANSAXLE MAINSHAFT, WITHOUT TURBOCHARGER (06) - POWER TRAIN

Схема запчастей Case 580SD - (206) - TRANSAXLE MAINSHAFT, WITHOUT TURBOCHARGER (06) - POWER TRAIN
22
27
13
20
21
26
20
11
29
19
15
25
16
32
14
12
28
22
14
10
5
15
3
4
30
31
2
1
FIT
1:1
100%

Артикул

Название

Примечание

Количество

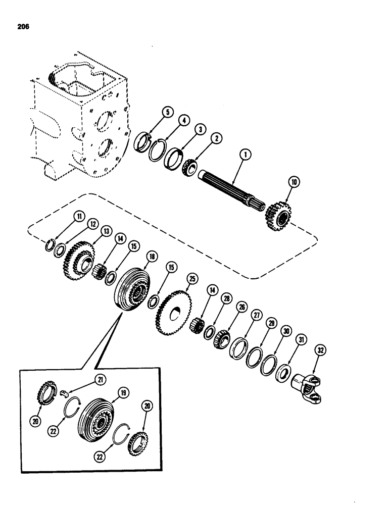
1

A148508

SHAFT

MAINSHAFT - 1-1/4 inch (32 mm) rear bearing area diameter

1шт.

2

T20939

ROLLER BEARING,1.25" ID x 0.771"

CONE - bearing, rear, 1-1/4 inch ID (32 mm)

1шт.

3

A29977

BEARING CUP

CUP - bearing, rear, 2-3/4 inch OD (70 mm)

1шт.

4

A29971

RING

- snap, rear bearing retaining

1шт.

5

G10616

CUP

- oiling, mainshaft, rear

1шт.

10

A168172

GEAR

- sliding, first and second (16 and 25 external and 24 internal teeth)(Replaces A51957)

1шт.

11

A26946

RING

- snap, gear retaining

1шт.

12

A140239

COLLAR,24T

COLLAR - thrust, third and fourth gears (24 internal teeth)

1шт.

13

A136597

GEAR

- sliding, third (27 and 35 external teeth)

1шт.

14

A51956

SYNCHRONIZER,24T

- third and fourth gears (24 internal teeth)

2шт.

15

A138572

WASHER

- thrust, third and fourth gears, 1/8 inch (3 mm) thick with 24 internal teeth

2шт.

18

A138655

GEAR

SYNCHRONIZER ASSEMBLY, Includes: Ref. 19 - 22

1шт.

19

NSS

NOT SOLD SEPARAT

HUB AND SLEEVE ASSEMBLY

1шт.

20

A45568

SPECIAL RING

RING - blocking

2шт.

21

G46078

PLATE

- shifter

3шт.

22

A40766

SPRING

- lock ring

2шт.

25

A148194

GEAR

- sliding, fourth (27 and 44 external teeth)

1шт.

26

G10424

CONE

- bearing, front, 1-9/16 inch ID (40 mm)

1шт.

27

G10425

CUP

- bearing, front, 2-7/8 inch OD (73 mm)

1шт.

28

A136386

COLLAR

- thrust, front bearing, 1-7/16 x 2 x 3/16 inch 37 x 51 x 5 mm)

1шт.

29

A51527

SHIM,.035" Thk

Front bearing (0.89 mm) .035" Thk

1шт.

29

G10341

SHIM,.005" Thk

Front bearing (0.13 mm) .005" Thk

1шт.

29

G10340

SHIM,.007" Thk

(0.18 mm), Front bearing .007" Thk

1шт.

30

A39184

COLLAR

- pilot, front cover, 2-9/16 x 2-7/8 x 5/16 inch (65 x 73 x 8 mm)

1шт.

31

G10422

OIL SEAL

- oil, front, 1-9/16 x 2-7/16 x 1/2 inch (40 x 62 x 13 mm) (Order A155950)

1шт.

G10422 (order A155950) front oil seal-I.D. is 1.562". O.D. is 2.443/2.439".

1шт.

32

D75847

YOKE

- power input

1шт.

Выбрано товаров: 27