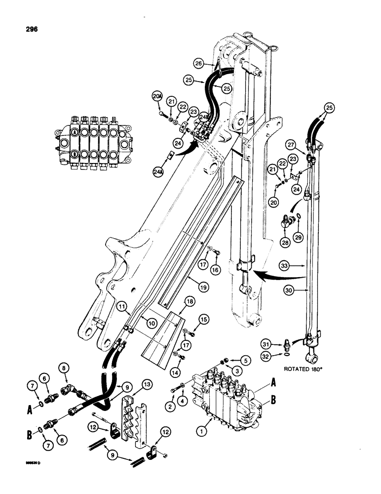
Запчасти Case 580SD (296) - BACKHOE EXTENDABLE DIPPER HYDRAULIC CIRCUIT (08) - HYDRAULICS

Схема запчастей Case 580SD - (296) - BACKHOE EXTENDABLE DIPPER HYDRAULIC CIRCUIT (08) - HYDRAULICS
24b
32
20a
23
20
9
25
33
12
15
26
29
24a
31
22
21
23
10
7
14
3
4
5
30
8
16
27
6
18
13
2
17
9
17
21
25
25
11
22
28
24
1
19
6
12
7
24
FIT
1:1
100%

Артикул

Название

Примечание

Количество

1

REF

INSTRUCTION

CONTROL VALVE - backhoe, parts list Figure 340 or 342, for mounting plate, see Figure 278

1шт.

2

113-421

BOLT,Hex, 1/2" - 13 x 2", Gr 5

3шт.

3

192-23

LOCK WASHER,1/2"

WASHER, LOCK, 1/2"

3шт.

4

95-8

WASHER,1/2"

flat 1/2"

3шт.

5

129-105

NUT,Hex, 1/2" - 13, Gr 5

3шт.

6

218-5064

HYD CONNECTOR,1-1/16" - 12 Male JIC x 1-1/16" - 12 Male ORB

ADAPTER - straight, male, Incl. Ref. 7

2шт.

7

218-5008

O-RING,0.116" Thk x 0.924" ID, -912, Cl 6, 90 Duro

- adapter

1шт.

8

218-5175

ELBOW,45 Degree Elbow, 1-1/16" - 12 Male JIC x 1-1/16" - 12 Female JIC

- 45 degree, upper port

1шт.

9

D93649

HOSE,12.7mm ID x 1200mm L, SAE 100R2

From Control Valve 12.70 mm ID x 1200.00 mm, SAE 100R2

2шт.

10

D93646

HYD TUBE

TUBE - right-hand

1шт.

11

D93648

HYD TUBE

TUBE - left-hand

1шт.

12

S88820

CLAMP

- P-type, hose

2шт.

13

REF

INSTRUCTION

CLAMP - hoses, see Refs. 10-14 on Figure 292

1шт.

14

113-412

BOLT,Hex, 1/2" - 13 x 1-3/4", Gr 5

1шт.

15

113-417

BOLT,Hex, 1/2" - 13 x 1-1/4", Gr 5, Full Thd

1шт.

16

113-433

BOLT,Hex, 1/2" - 13 x 3/4", Gr 5, Full Thd

3шт.

17

95-8

WASHER,1/2"

flat 1/2"

5шт.

18

D93678

GUARD

- tube, lower

1шт.

19

D54137

GUARD

- tube, upper

1шт.

20

113-209

BOLT,Hex, 3/8" - 16 x 1-1/2", Gr 5

Used with one spacer Hex, 3/8"-16 x 1 1/2", G5

1-2шт.

20a

113-233

BOLT,Hex, 3/8" - 16 x 1-3/4", Gr 5

Used with two spacers, Refs. 24 and 24A Hex, 3/8"-16 x 1 3/4", G5

1шт.

21

192-21

LOCK WASHER,3/8"

WASHER, LOCK, 3/8"

2шт.

22

195-525

WASHER,3/8", SAE

- flat, 3/8", plated

1-2шт.

23

D42504

CLAMP

- metal, tube, replaces plastic tube clamps on some models

2шт.

24

D76209

SPACER

- tube clamp

2шт.

24a

D76302

BLOCK

SPACER - flat, if used

1шт.

24b

25-226

SQUARE NUT,Sq, 3/8"-16

- square, 3/8" - 16 NC, if used

1шт.

25

D32284

HOSE,12.7mm ID x 1016mm L, SAE 100R2

- 40" (1016 mm), Serial Range: long,-cylinder

2шт.

26

L18337

CABLE TIE,9.95"-12.1" lg

STRAP - tie, 15 inch, nylon

1шт.

27

D52572

TUBE

- to cylinder, closed end

1шт.

28

218-5107

90 ELBOW,90 Degree Elbow, 7/8" - 14 Male JIC x 7/8" - 14 Male ORB

- 90 degree, male, Incl. Ref. 29

1шт.

29

237-6010

O-RING,0.097" Thk x 0.755" ID, -910, Cl 6, 90 Duro

- elbow

1шт.

30

D52574

TUBE

- to cylinder, rod end

1шт.

31

218-5062

HYD CONNECTOR,7/8"-14, 37 Degree x 7/8"-14, O-Ring

ADAPTER - straight, male, Includes: Ref. 32

1шт.

32

237-6010

O-RING,0.097" Thk x 0.755" ID, -910, Cl 6, 90 Duro

- adapter

1шт.

33

G101183

CYLINDER

- dipper extension, parts list Figure 416

1шт.

Выбрано товаров: 36