Запчасти Case 580SD (316) - PARKER LOADER CONTROL VALVE, LOADER BUCKET SPOOL (08) - HYDRAULICS

Схема запчастей Case 580SD - (316) - PARKER LOADER CONTROL VALVE, LOADER BUCKET SPOOL (08) - HYDRAULICS
15
26
29
12
17
8
19
14
5
7
23
22
13
28
12
30
11
16
4
24
1
25
20
7
3
27
30
5
10
16
9
18
6
2
21
19a
FIT
1:1
100%

Артикул

Название

Примечание

Количество

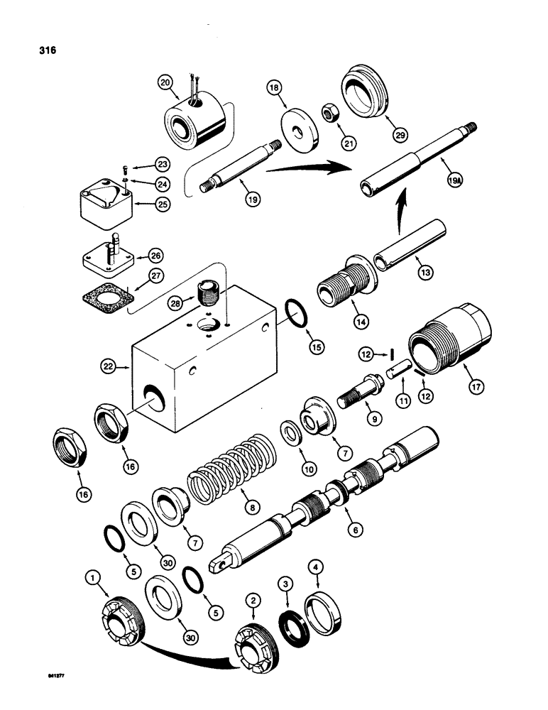
N8524

SPOOL

ASSEMBLY - loader bucket, Includes: Ref. 1 - 30

1шт.

1

D80412

GLAND

AND WIPER ASSEMBLY - spool, Includes: Ref. 2 - 4

1шт.

2

NSS

NOT SOLD SEPARAT

GLAND - spool

1шт.

3

A14527

SCRAPER

WIPER - spool

1шт.

4

NSS

NOT SOLD SEPARAT

SLEEVE - gland

1шт.

5

A27365

O-RING,0.103" Thk x 0.75" ID, -116, Cl 5, 75 Duro

- spool seal, control valve body

2шт.

6

N8525

SPOOL

- bucket control

1шт.

7

A14533

BRONZE BUSHING

SEAT - spring

2шт.

8

A25285

SPRING

CENTERING SPRING - spool

1шт.

9

L36048

PLUG

SCREW - spool end

1шт.

10

A25286

WASHER

- spacer

1шт.

11

D33858

LINK

- spool detent

1шт.

12

138-2012

PIN,1/8" x 1/2", Coiled

2шт.

13

L36049

SPACER

- detent link, used with Ref. 19, no longer available, replace this spacer and Ref. 19 with N9078 spacer (Ref. 19A)

1шт.

14

L36046

CONNECTOR, ELEC

CONNECTOR - spool end and detent

1шт.

15

F62114

O-RING,0.103" Thk x 0.674" ID, -115, Cl 5, 75 Duro

- connector

1шт.

16

L36045

NUT

- lock, 7/8" - 14 NF

2шт.

17

L36047

CAP

HOUSING - spring

1шт.

18

N6008

WASHER

- magnetic detent

1шт.

19

L36050

BUSHING

SPACER - coil, rod, used with Ref. 13, no longer available, replace this spacer and Ref. 13 with N9078 spacer (Ref. 19A)

1шт.

19a

N9078

SPACER

- coil, rod, one piece, replaces two piece spacer (Refs. 13 and 19) on some models

1шт.

20

D78419

COIL

AND SLEEVE - one piece design

1шт.

21

25-114

NUT,1/4"-28, G5

- hex, 1/4" - 28 NF

1шт.

22

L36040

CAP

HOUSING - magnetic detent

1шт.

23

187-1351

SELF-TAP SCREW,Cross Pan Hd, #4 x 1"

SCREW - self-tapping, No. 4 - 40 NC x 1", plated

4шт.

24

192-53

LOCK WASHER,#4

WASHER, LOCK, #4

4шт.

25

N6046

COVER

- connector

1шт.

26

N6642

CONNECTOR, ELEC

CONNECTOR - two male bullets

1шт.

27

D80410

GASKET

- connector

1шт.

28

L36042

TUBE

SCREW - lock, hollow

1шт.

29

L36039

CAP

- magnetic detent spool

1шт.

30

A14535

RETAINER

- spool seal

2шт.

Выбрано товаров: 32