Запчасти Case 580SD (020) - COLD START SYSTEM (02) - ENGINE

Схема запчастей Case 580SD - (020) - COLD START SYSTEM (02) - ENGINE
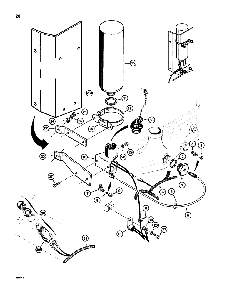
18
11
22
3
23
19
20
23a
17
30
15
6
30a
33
25
29
10
1
32
16
7
31
4
8
24
21
9
28
2
5
27
6
26
FIT
1:1
100%

Артикул

Название

Примечание

Количество

1

D79761

PLUG

- manifold, replaces existing manifold plug without a tapped hole for injector nozzle

1шт.

2

A20916

MANIFOLD GASKET

WASHER - special

1шт.

D81319

NOZZLE INJECTION

NOZZLE ASSEMBLY - cold start injector, Includes: Ref. 3 and 4

1шт.

3

NSS

NOT SOLD SEPARAT

BODY - nozzle

1шт.

4

NSS

NOT SOLD SEPARAT

NUT AND SLEEVE - one piece, service with 222-660 nut and 222-650 sleeve

1шт.

5

L35281

TUBE,0.125" OD x 60" L

- valve to injector, 1/8" OD x 60" (1524 mm) long, cut to 32-1/2" (825 mm) long

1шт.

6

L18337

CABLE TIE,9.95"-12.1" lg

STRAP - tie, 15 inch, nylon

1шт.

D88742

ELBOW ASSEMBLY - 90 degree, valve outlet, Includes: Ref. 7 - 9

1шт.

7

NSS

NOT SOLD SEPARAT

BODY - elbow

1шт.

8

222-650

SLEEVE,1/8" Tube, Comp

Brass 1/8" Tube, Comp

1шт.

9

222-660

FLANGE NUT,5/16"-24, 45 Degree Fl, Comp

1/8" brass 5/16"-24, 45º Fl, Comp

1шт.

S96079

VALVE

ASSEMBLY - starting fluid injection, Includes: Ref. 10 - 14

1шт.

10

NSS

NOT SOLD SEPARAT

VALVE - actuator

1шт.

11

D74422

GASKET

SEAL - cork, Serial Range: valve-cylinder

1шт.

12

L35283

PACKAGE, REPAIR

KIT - valve repair, includes two O-rings, two washers, and a gasket, not shown

1шт.

13

222-650

SLEEVE,1/8" Tube, Comp

Brass, Not shown 1/8" Tube, Comp

2шт.

14

222-660

FLANGE NUT,5/16"-24, 45 Degree Fl, Comp

1/8" brass, not shown 5/16"-24, 45º Fl, Comp

2шт.

15

D55767

CYLINDER

STARTING FLUID - cylinder

1шт.

16

L35279

BRACKET

- clamp

1шт.

17

214-264

HOSE CLAMP,#52, 2.81" - 3.75", Type F Worm

CLAMP - starting fluid cylinder

1шт.

18

S116438

CASE

SWITCH - temperature, circuit breaking

1шт.

19

195-102

WASHER,1/4"

- flat, , plated 1/4"

1шт.

20

193-60

LOCK WASHER,Int Tooth, 1/4"

WASHER, LOCK, Int Tooth, 1/4"

1шт.

21

113-2

BOLT,Hex, 1/4" - 20 x 5/8", Gr 5

- hex head, 1/4" - 20 NC x 1/2", plated

1шт.

22

D90978

BRACKET

- upper, no longer used, order Ref. 23A

1шт.

23

D90979

BRACKET

- lower, no longer used, order Ref. 23A

1шт.

23a

D94466

BRACKET

- clamp and valve, replaces Refs. 22 and 23

1шт.

24

195-521

WASHER,5/16", SAE

- flat, 5/16", plated

2шт.

25

192-20

LOCK WASHER,Helical Spring, 0.318" ID, CST, ZND

WASHER, LOCK, 5/16"

2шт.

26

9635082

NUT,5/16" - 18, Gr 5

2шт.

27

113-3

BOLT,Hex, 1/4" - 20 x 3/4", Gr 5

4шт.

28

192-19

LOCK WASHER,Helical Spring, 0.256" ID, CST, ZND

WASHER, LOCK, 1/4"

4шт.

29

7770

NUT,Hex, 1/4 - 20, Cl 5

1/4"-20, G5

4шт.

30

L72776

SWITCH

ASSEMBLY - cold start, has screw terminals, also order two of Ref. 30A, if required

1шт.

30a

L59682

TERMINAL CONNECTOR

TERMINAL - spade type, adapts Ref. 30 to wiring harness, if used

2шт.

31

REF

INSTRUCTION

HARNESS - main, instrument panel, see Figure 104

1шт.

32

REF

INSTRUCTION

HARNESS - front, engine, see Figure 102

1шт.

33

N8826

PLUG

- valve, with chain, place in starting fluid valve when starting fluid canister is not in place, if used

1шт.

Выбрано товаров: 38