Запчасти Case 580SD (502) - CHASSIS AND LOADER CONTROL VALVE COVER (09) - CHASSIS/ATTACHMENTS

Схема запчастей Case 580SD - (502) - CHASSIS AND LOADER CONTROL VALVE COVER (09) - CHASSIS/ATTACHMENTS
12
25
16
6
1a
15
21
27
24
24
9
3a
19
10
2
22
4
25
14
15
24
24
19a
11
18
24
14
24
22
26
5
3
22
25
25
7
28
23
13
8
13
20
1
17
23
25
FIT
1:1
100%

Артикул

Название

Примечание

Количество

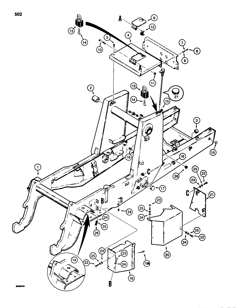
1

D92244

FRAME

CHASSIS - tractor, includes decals, two wheel drive models, used with D86818 operators compartment frame on Figure 510, no longer used, order D120738 chassis, Includes: Ref. 2, 3 and 3A

1шт.

1a

D120738

CHASSIS

- tractor, includes decals, two wheel drive models, used with D123745 operators compartment frame on Figure 510, Includes: Ref. 2, 3 and 3A

1шт.

1

D120529

CHASSIS

- tractor, includes decals, four wheel drive models, used with D86818 operators compartment frame on Figure 510, no longer used, order D123781 chassis, also includes items 8, 12, and 13 on Figure 188, not shown, Includes: Ref. 2, 3 and 3A

1шт.

1a

D123781

CHASSIS

- tractor, includes decals, four wheel drive models, also includes items 8, 12, and 13 on Figure 188, not shown, used with D123745 operators compartment frame on Figure 510, Includes: Ref. 2, 3 and 3A

1шт.

2

D37443

BUSHING,44.68mm ID x 57.15mm OD x 50.8mm L

- loader frame pivot, two or four wheel drive models

2шт.

3

D43940

BUSHING,44.68mm ID x 57.15mm OD x 25.4mm L

- front axle mounting, two wheel drive models only

2шт.

3a

D123893

PLUG

DRAIN PLUG - hydraulic reservoir, hex head, 3/4" NPT

1шт.

4

D90841

COVER

- chassis

1шт.

5

D122618

HEX SOC SCREW,Btn Hd, 1/2" - 13 x 1", Gr 8

BOLT - hex socket head, 1/2" - 13 NC x 1", special

2шт.

6

113-101

BOLT,Hex, 5/16" - 18 x 1-1/2", Gr 5

2шт.

7

192-20

LOCK WASHER,Helical Spring, 0.318" ID, CST, ZND

WASHER, LOCK, 5/16"

2шт.

8

195-521

WASHER,5/16", SAE

- flat, 5/16", plated

2шт.

9

D92446

DOOR

- access, fuel tank, remove decal that applies to radiator access only

1шт.

10

113-53

BOLT,Hex, 1/4" - 20 x 3-1/4", Gr 5

1шт.

11

131-2

NUT,1/4"-20, GB

NUT - hex, self-locking, 1/4" - 20 NC

1шт.

12

D121677

SPRING

- fuel access door

1шт.

13

D93753

PADLOCK

- fuel access door and reservoir, if used, Includes: Ref. 14

2шт.

14

R29555

KEY

- for Master padlock only

2шт.

14

D93751

SET OF 2 KEYS

KEY - for Yale padlock only

2шт.

15

41-1020

PLUG,Cup, 1 1/4"

- expansion, 1-1/4"

2шт.

16

353-23

CAP,Cap, 1.355" OD

PLUG - plastic, No. 15, hydraulic suction tube, used on models without loader

1шт.

17

353-416

PLUG,Dome, 1.750" hole, Nylon

- button, nylon, 1-3/4" (44 mm) diameter, used on models without loader

4шт.

18

221-16

PLUG,Sq Hd, 1"-11 1/2 NPTF

- pipe, square head, 1", hydraulic return tube, used on models without loader

1шт.

19

D131688

PLATE

COVER - rear, loader control valve, used with (3) 131-856 nuts Ref. 19A), replaces cover with weld nuts used in production on some models

1шт.

19a

131-856

SPRING NUT,Ret, J, 3/8"-16

NUT, Ret, J, 3/8"-16

3шт.

20

D126433

PLATE

COVER - center, loader control valve

1шт.

21

D93032

LARGE PLATE

COVER - front, loader control valve

1шт.

22

113-207

BOLT,Hex, 3/8" - 16 x 1", Gr 5

6шт.

23

113-208

BOLT,Hex, 3/8" - 16 x 1-1/4", Gr 5

4шт.

24

195-525

WASHER,3/8", SAE

- flat, 3/8", plated

11шт.

25

192-21

LOCK WASHER,3/8"

WASHER, LOCK, 3/8"

10шт.

26

129-103

NUT,Hex, 3/8" - 16, Gr 5

NUT, 3/8"-16, G5

1шт.

27

353-422

PLUG,Dome, 1.250" hole, Nylon

(32 mm) diameter, Used on models without an equipment hydraulic system Dome, 1.250" hole, Nylon

1шт.

28

L60224

BUMPER

INSULATOR - bumper, rubber, if used

2шт.

D123073

BRACKET

welded on receiver

1шт.

Pictured between Ref. 3 and 16

1шт.

L47158

BRACKET

bolted on style

1шт.

Выбрано товаров: 37