Запчасти Case 580SD (510) - OPERATORS COMPARTMENT FRAME AND MOUNTING (09) - CHASSIS/ATTACHMENTS

Схема запчастей Case 580SD - (510) - OPERATORS COMPARTMENT FRAME AND MOUNTING (09) - CHASSIS/ATTACHMENTS
10
6
4
25
27
7
30
11
21
34
8
7
22
6
23
24
17a
2
1
4
12
28a
29
16
3a
19
2
33a
23
36
28
20
34a
14
26
21
2
20a
5
31
5
18
17
33
3b
13
11
1a
9
3
32
35
3
15
7
31
20
FIT
1:1
100%

Артикул

Название

Примечание

Количество

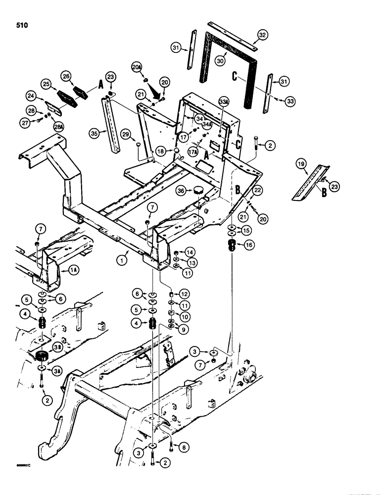
1

D86818

FRAME

- operators compartment, used with D92244 or D120529 chassis on Figure 502, no longer used, order D123745 frame

1шт.

1a

D123745

FRAME

- operators compartment, used with D120738 or D123781 chassis on Figure 502

1шт.

2

113-2642

BOLT,Hex, 5/8" - 11 x 4-1/2", Gr 8

4шт.

3

D83682

WASHER

- 2-3/4" (70 mm) OD x 1/4" (6 mm) thick

2-4шт.

3a

D89007

WASHER

- 2-3/4" (70 mm) OD, hardened

2шт.

3b

D120267

RUBBER

SHOCK ABSORBER - pod limiter

2шт.

4

A141451

SHOCK ABSORBER

INSULATOR - rubber, red, frame mounting, rear

2шт.

5

D89007

WASHER

- 2-3/4" (70 mm) OD, hardened

2шт.

6

D91658

WASHER

- shim, 1/16" (2 mm) thick

1шт.

7

129-563

NUT,5/8"-11, G8

- hex, 5/8" - 11 NC, grade 8

4шт.

8

13-1052

BOLT,Hex, 5/8" - 11 x 3-1/4", Gr 5

If used Hex, 5/8"-11 x 3 1/4", G5

2шт.

9

D90876

WASHER - shim, 1/32" (1 mm) thick, if used

1шт.

10

D90958

BUSHING

SPACER - 5/8" (15 mm) thick, if used

2шт.

11

D90959

WASHER

- 1" (25 mm) ID, if used

4шт.

12

D90957

BUSHING

SPACER - frame mounting, rear, if used

2шт.

13

D90873

WASHER

- 1/4" (6 mm) thick, if used

2шт.

14

25-1010

NUT,5/8"-11, G5

If used 5/8"-11, G5

2шт.

15

D89007

WASHER

- 2-3/4" (70 mm) OD, hardened

1шт.

16

D89717

MOUNTING PARTS

INSULATOR - rubber, black, frame mounting, front

2шт.

17

353-4

PLUG,Cap, .366" OD

- plastic, red, No. 2, 5/16" diameter hole, used in firewall, if used

4шт.

17a

353-403

PLUG,Dome, .437" hole, Nylon

No. 2, Used in firewall, If used Dome, .437" hole, Nylon

1шт.

18

205-61

HOLE PLUG BUTTON,1 1/2"

PLUG - button, 1-1/2" diameter, if used

1шт.

19

D87342

COVER

- wiring harness, right-hand side

1шт.

20

113-102

BOLT,Hex, 5/16" - 18 x 3/4", Gr 5

Hex, 5/16"-18 x 3/4", G5, Full Thd

3-5шт.

20a

205-75

PLUG,13/32"

- button, 1/4" (6.35 mm) diameter, used in place of Ref. 20 when Ref. 35 is not used

10шт.

21

192-20

LOCK WASHER,Helical Spring, 0.318" ID, CST, ZND

WASHER, LOCK, 5/16"

3-5шт.

22

195-521

WASHER,5/16", SAE

- flat, 5/16", plated

3шт.

23

131-636

SPRING NUT,J, Ret, 5/16"-18

- J-type, 5/16" - 18 NC

3-5шт.

24

D83656

PLATE

COVER - harness and cables from instrument cluster

1шт.

25

D83655

PAD

- foam, self-adhesive, 6-11/16" (170 mm) x 3-1/8" (80 mm)

1шт.

26

D83654

PAD

- foam, self-adhesive, 4" (100 mm) x 2-3/8" (60 mm)

1шт.

27

113-207

BOLT,Hex, 3/8" - 16 x 1", Gr 5

1шт.

28

192-21

LOCK WASHER,3/8"

WASHER, LOCK, 3/8"

1шт.

28a

195-525

WASHER,3/8", SAE

- flat, 3/8", plated

1шт.

29

353-408

PLUG,Dome, .750" hole, Nylon

- nylon, used on models without air conditioned cab

1шт.

30

D91309

SEAL

- firewall, used on models without cab

1шт.

31

D91132

PLATE

- seal retaining, sides of firewall, used on models without cab

2шт.

32

D91131

PLATE

- seal retaining, top of firewall, used on models without cab

1шт.

33

163-15

SCREW,Hex, #10 - 24 x 5/8"

- machine, No. 10 - 24 NC x 5/8", plated

10шт.

33a

86625057

NUT,#10-24, GB

NUT, LOCK, #10-24, GB

10шт.

34

353-1

PLUG - button, 3/16" (4.62 mm) diameter, used on some cab models, see Ref. 34A

10шт.

34a

353-400

PLUG,Dome, .250" hole, Nylon

(6.35 mm) diameter, Used on some cab models, See Ref. 34 Dome, .250" hole, Nylon

10шт.

35

D87343

COVER

- wiring and drain tube, left-hand side, if used

1шт.

36

205-72

HOLE PLUG BUTTON,3"

PLUG - button, (76 mm) diameter, used on models without loader 3"

1шт.

Выбрано товаров: 44