Запчасти Case 580SD (568) - CAB REAR WINDSHIELD WIPER (09) - CHASSIS/ATTACHMENTS

Схема запчастей Case 580SD - (568) - CAB REAR WINDSHIELD WIPER (09) - CHASSIS/ATTACHMENTS
30
15
39
13
1
37
36b
45
6
36a
44
15
25
3
7
33
35
42
18
36
43
47
21
22
5
8
12
31
38
10
32
44
23
14
24
46
40
27
41
11
20
29
9
29
17
4
34
2
28
19
14
45
26
FIT
1:1
100%

Артикул

Название

Примечание

Количество

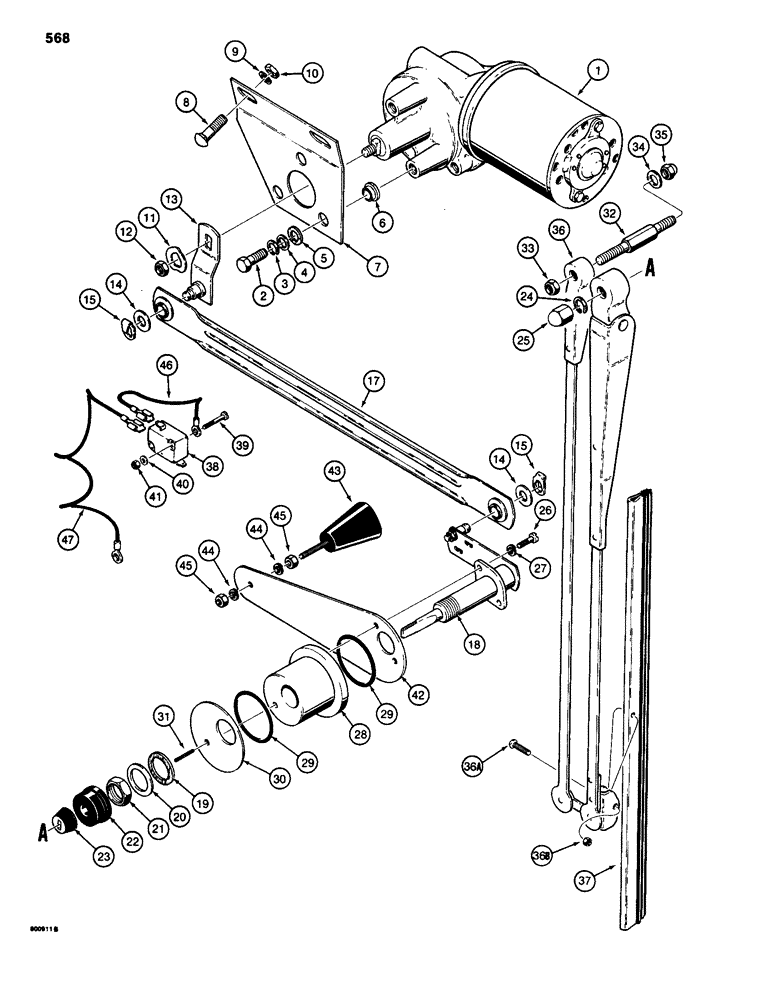
1

F96765

WIPER MOTOR

MOTOR ASSEMBLY - rear windshield wiper, parts list Figure 564

1шт.

2

114-7

BOLT,Hex, 1/4" - 28 x 7/8", Gr 5, Full Thd

Motor to bracket Hex, 1/4"-28 x 7/8", G5, Full Thd

3шт.

3

192-19

LOCK WASHER,Helical Spring, 0.256" ID, CST, ZND

WASHER, LOCK, 1/4"

3шт.

4

195-521

WASHER,5/16", SAE

- flat, 5/16", plated

3шт.

5

F64384

WASHER

- nylon, insulator

3шт.

6

F44834

BUSHING

- nylon, motor mounting

3шт.

7

F44686

BRACKET

- mounting, windshield wiper motor

1шт.

8

111-203

CARRIAGE BOLT,Short NK, 5/16"-18 x 1", G2

BOLT, CARRIAGE, Short NK, 5/16"-18 x 1", G2, Bracket mounting

2шт.

9

192-20

LOCK WASHER,Helical Spring, 0.318" ID, CST, ZND

WASHER, LOCK, 5/16"

2шт.

10

9635082

NUT,5/16" - 18, Gr 5

2шт.

11

D71411

WASHER

- wave, included with F96765 motor assembly

1шт.

12

F44452

LOCK NUT

- hex, lock, 1/4" - 28 NF, plated, included with F96765 motor assembly

1шт.

13

F64210

LEVER

ARM - drive

1шт.

14

A22431

WASHER

- spacer, drive arm mounting

2шт.

15

D71414

CLIP

- spring

2шт.

16

RESERVED

1шт.

17

F44754

LINK

- drive arm to pivot shaft

1шт.

F96719

SHAFT

ASSEMBLY - pivot, Includes: Ref. 18 - 25

1шт.

18

NSS

NOT SOLD SEPARAT

SHAFT - pivot

1шт.

19

D71417

SPECIAL WASHER

WASHER - fiber

1шт.

20

D71418

WASHER

- steel

1шт.

21

D71419

NUT

- shaft

1шт.

22

D71420

CAP

- shaft

1шт.

23

D71421

TOOL

DRIVER - knurled

1шт.

24

193-9

LOCK WASHER,Ext Tooth, 5/16"

WASHER, LOCK, Ext Tooth, 5/16"

1шт.

25

D71422

NUT

- cap

1шт.

26

182-528

SCREW,Sl Pan Hd, #10 - 32 x 1/2"

MACHINE SCREW - No. 10 - 32 NC x 1/2", plated

2шт.

27

192-18

LOCK WASHER,Helical Spring, #10, 0.196" ID, CST, ZND

WASHER, LOCK, #10

2шт.

28

F44821

HOUSING

- pivot shaft

1шт.

29

D26819

O-RING,1.299" ID x 1.505" OD

- housing

2шт.

30

F44822

WASHER

- pivot shaft

1шт.

31

138-52

PIN,1/8" x 7/16", Slotted

1шт.

32

F43960

STUD

- arm mounting

1шт.

33

425-154

JAM NUT,Jam, 1/4"-28, G5

1шт.

34

195-513

WASHER,#10

- flat, No. 10, plated

1шт.

35

129-642

CROWN NUT,Crown, #10-24

DOME NUT - hex, No. 10 - 24 NC, plated

1шт.

36

F44823

WIPER ARM

ARM - windshield wiper, 17" (432 mm) long, Includes: Ref. 36A and 36B

1шт.

36a

182-567

SCREW,Sltd Pan Hd, #5-40 x 1/2"

MACHINE SCREW - No. 5 - 40 NC x 1/2", plated, blade attaching

1шт.

36b

129-14

NUT,#5-40

Blade attaching #5-40

1шт.

37

F43574

WIPER BLADE

BLADE - windshield wiper, 14" (356 mm) long

1шт.

38

F43348

SWITCH

- windshield wiper arm return

1шт.

39

182-575

SCREW,Cross Pan Hd, #4-40 x 3/4"

MACHINE SCREW - No. 4 - 40 NC x 3/4", plated

2шт.

40

195-505

WASHER,#4

2шт.

41

131-1409

LOCK NUT,#4-40, GB

NUT, LOCK, #4-40, GB

2шт.

42

F44813

LEVER

- windshield wiper position control

1шт.

43

F44877

KNOB

- position control lever, windshield wiper

1шт.

44

192-18

LOCK WASHER,Helical Spring, #10, 0.196" ID, CST, ZND

WASHER, LOCK, #10

2шт.

45

129-37

NUT,#10-32

2шт.

46

F43620

ELECTRICAL WIRE

WIRE -, Serial Range: motor-switch

1шт.

47

F43621

ELECTRICAL WIRE

WIRE - ground

1шт.

48

321-5801

DECAL

- windshield wiper position, not shown, see Figure 602

1шт.

Выбрано товаров: 51