Запчасти Case 580SD (136) - DIPPER LAMP, USED WITH EXTENDABLE DIPPER (04) - ELECTRICAL SYSTEMS

Схема запчастей Case 580SD - (136) - DIPPER LAMP, USED WITH EXTENDABLE DIPPER (04) - ELECTRICAL SYSTEMS
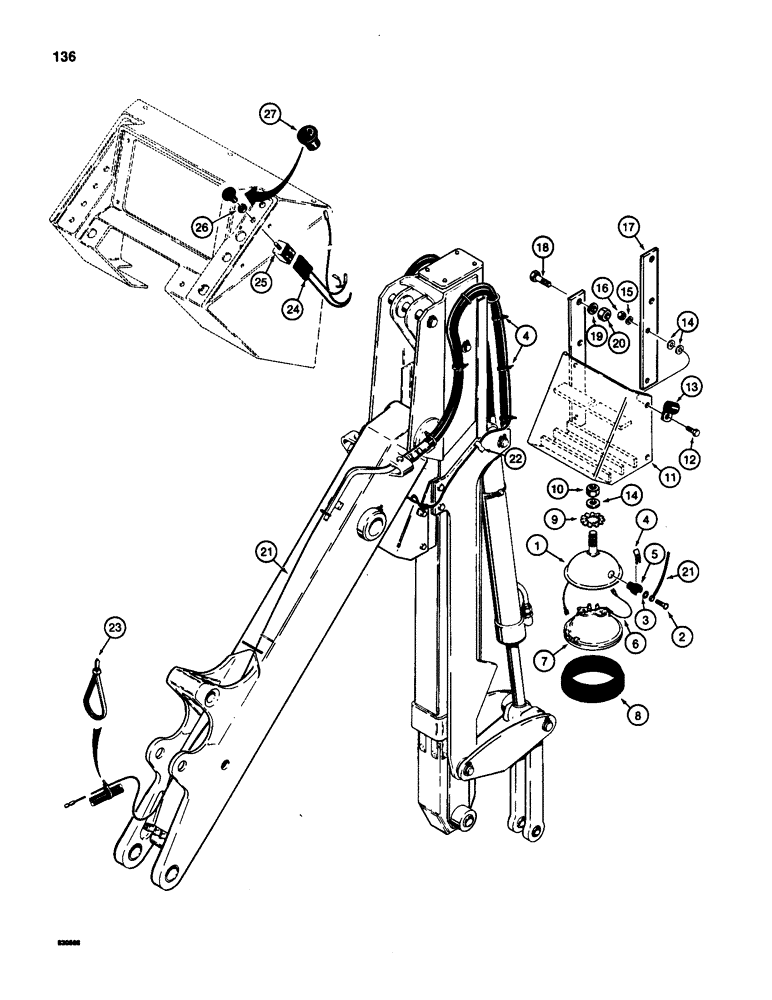
4
10
16
8
20
14
4
13
15
23
2
11
17
21
24
12
1
3
21
7
27
19
18
6
9
25
14
22
5
26
FIT
1:1
100%

Артикул

Название

Примечание

Количество

D37811

LAMP

ASSEMBLY - dipper arm, Includes: Ref. 1 - 8

1шт.

1

NSS

NOT SOLD SEPARAT

BODY - lamp

1шт.

2

182-82

SCREW,Slotted Pan Hd, #8-32 x 1/4"

MACHINE SCREW - round head, No. 8 - 32 NC x 1/4", plated

2шт.

3

193-91

LOCK WASHER,Int Tooth, #8

WASHER, LOCK, Int Tooth, #8

2шт.

4

10927

SPRING

- lamp

1шт.

5

B50293

TERMINAL CONNECTOR

- lamp

1шт.

6

A25262

ELECTRICAL WIRE

WIRE - lamp

1шт.

7

A42294

SEALED BEAM UNIT

BULB - sealed beam, No. 4406

1шт.

8

D31441

RETAINER

- lamp

1шт.

9

193-87

LOCK WASHER,Ext-Int Tooth, 1/2"

WASHER, LOCK, Ext-Int Tooth, 1/2"

1шт.

10

131-1116

LOCK NUT,1/2"-13, GB

NUT - hex, self-locking, 1/2" - 13 NC, plated

1шт.

11

D52591

HOUSING

- dipper lamp

1шт.

12

113-208

BOLT,Hex, 3/8" - 16 x 1-1/4", Gr 5

4шт.

13

515-23127

CLAMP,1/2", Insul, 3/8" Bolt

- wire to housing

1шт.

14

195-533

WASHER,1/2", SAE

- flat, 3/8", plated

9шт.

15

192-21

LOCK WASHER,3/8"

WASHER, LOCK, 3/8"

4шт.

16

129-103

NUT,Hex, 3/8" - 16, Gr 5

NUT, 3/8"-16, G5

4шт.

17

D75730

LARGE PLATE

PLATE -, Serial Range: housing-dipper

2шт.

18

113-421

BOLT,Hex, 1/2" - 13 x 2", Gr 5

4шт.

19

192-23

LOCK WASHER,1/2"

WASHER, LOCK, 1/2"

4шт.

20

129-105

NUT,Hex, 1/2" - 13, Gr 5

4шт.

21

D53268

ELECTRICAL WIRE

WIRE - to dipper lamp

1шт.

22

D48071

CLAMP

-, Serial Range: wire-dipper

1шт.

23

L18337

CABLE TIE,9.95"-12.1" lg

STRAP - tie, 15 inch, nylon

1шт.

24

D75761

HARNESS

WIRE - from dipper lamp switch

1шт.

25

D74330

SWITCH

- dipper lamp, Includes: Ref. 26

1шт.

26

N7557

NUT

- special, 3/8" - 24 NF, switch retaining

1шт.

27

D70448

KNOB

- dipper lamp switch

1шт.

Выбрано товаров: 0